EasyManua.ls Logo

YASKAWA E-7S SERVOPACK SGD7S - 11.2 Hard Wire Base Block (HWBB)

YASKAWA E-7S SERVOPACK SGD7S
671 pages
Print Icon
To Next Page IconTo Next Page
To Next Page IconTo Next Page
To Previous Page IconTo Previous Page
To Previous Page IconTo Previous Page
Loading...
11.2 Hard Wire Base Block (HWBB)
11.2.1 Risk Assessment
11-3
11
Safety Functions
11.2
Hard Wire Base Block (HWBB)
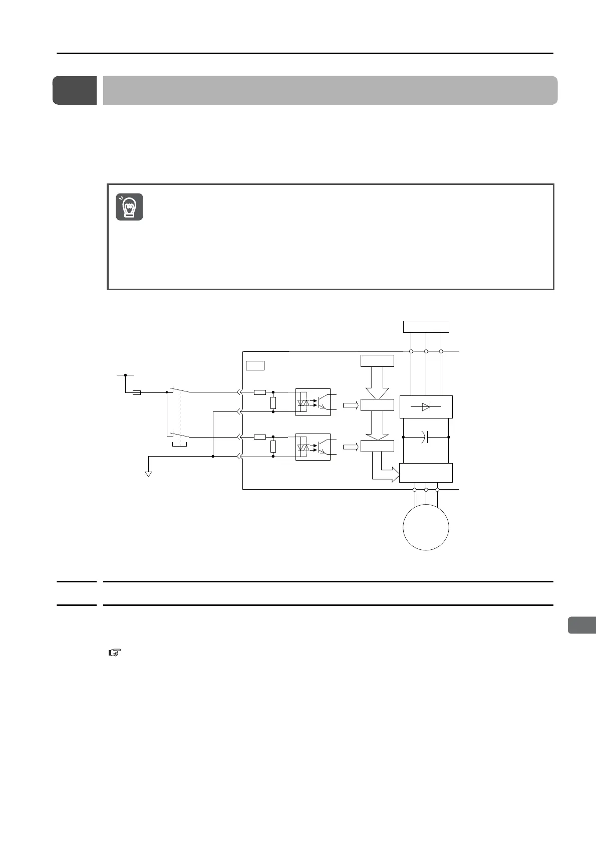
A hard wire base block (abbreviated as HWBB) is a safety function that is designed to shut OFF
the current to the Servomotor with a hardwired circuit.
The drive signals to the Power Module that controls the motor current are controlled by the cir-
cuits that are independently connected to the two input signal channels to turn OFF the Power
Module and shut OFF the motor current.
The input signal uses the 0-V common. The following figure shows a connection example.
11.2.1
Risk Assessment
When using the HWBB, you must perform a risk assessment of the servo system in advance to
confirm that the safety level of the standards is satisfied. Refer to the following section for
details on the standards.
Compliance with UL Standards, EU Directives, and Other Safety Standards on page xxvi
Note: To meet performance level e (PLe) in EN ISO 13849-1 and SIL3 in IEC 61508, the EDM1 signal must be mon-
itored by the host controller. If the EDM1 signal is not monitored by the host controller, the level will be safety
performance level c (PLc) and SIL1.
The following hazards exist even when the HWBB is operating. These hazards must be
included in the risk assessment.
The Servomotor will move if an external force is applied to it (for example, gravity on a vertical
axis). Implement measures to hold the Servomotor, such as installing a separate mechanical
brake.
If a failure occurs such as a Power Module failure, the Servomotor may move within an elec-
tric angle of 180°. Ensure safety even if the Servomotor moves.
The rotational angle or travel distance depends on the type of Servomotor as follows:
Rotary Servomotor: 1/6 rotation max. (rotational angle calculated at the motor shaft)
For safety function signal connections, the input signal is the 0-V common and the output signal
is a source output.
This is opposite to other signals described in this manual.
To avoid confusion, the ON and OFF status of signals for the safety function are defined as fol-
lows:
ON: The state in which the relay contacts are closed or the transistor is ON and current flows
into the signal line.
OFF: The state in which the relay contacts are open or the transistor is OFF and no current
flows into the signal line.
Important
CN8
/HWBB1+
4
3
6
5
/HWBB1-
/HWBB2+
/HWBB2-
0 V
Power supply
Control circuit
Stopped.
Stopped.
Power Module
Drive signal
SERVOPACK
24-V power supply
Fuse
Switch
Servomotor

Table of Contents

Related product manuals