EasyManua.ls Logo

YASKAWA E-7S SERVOPACK SGD7S - Wiring the SERVOPACK to the Encoder

YASKAWA E-7S SERVOPACK SGD7S
671 pages
To Next Page IconTo Next Page
To Next Page IconTo Next Page
To Previous Page IconTo Previous Page
To Previous Page IconTo Previous Page
Loading...
4.4 Wiring Servomotors
4.4.3 Wiring the SERVOPACK to the Encoder
4-27
4
Wiring and Connecting
4.4.3
Wiring the SERVOPACK to the Encoder
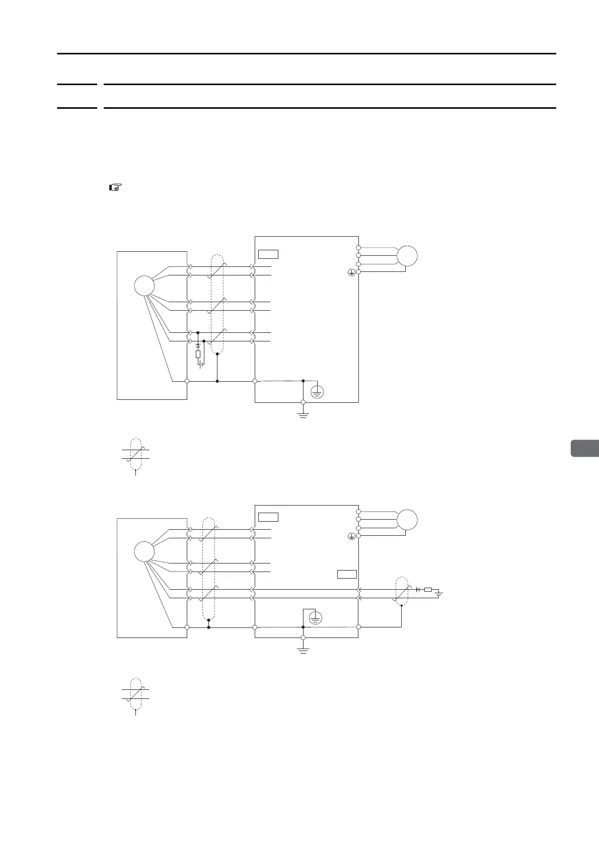
When Using an Absolute Encoder
If you use an absolute encoder, use an Encoder Cable with a JUSP-BA01-E Battery Case or
install a battery on the host controller.
Refer to the following section for the battery replacement procedure.
15.1.3 Replacing the Battery on page 15-3
Wiring Example When Using an Encoder Cable with a Battery Case
*1. The absolute encoder pin numbers for wiring the connector depend on the Servomotor that you use.
*2. represents a shielded twisted-pair cable.
Wiring Example When Installing a Battery on the Host Controller
*1. The absolute encoder pin numbers for wiring the connector depend on the Servomotor that you use.
*2. represents a shielded twisted-pair cable.
ENC
3
4
CN2
*2
*1
5
6
1
2
PG5V
PG0V
PS
/PS
BAT(+)
BAT(-)
U
V
W
M
+
-
Absolute encoder
(Shell)
Battery
SERVOPACK
Encoder Cable
with a Battery Case
Connector
shell
ENC
3
4
BAT
BAT
(+)
(-)
CN2
CN1
*2
*2
*1
5
6
1
2
PG5V
PG0V
PS
/PS
BAT(+)
BAT(-)
U
V
W
M
Absolute encoder
(Shell)
SERVOPACK
Connector
shell
Battery
21
22
+
-

Table of Contents

Related product manuals