EasyManua.ls Logo

YASKAWA E-7S SERVOPACK SGD7S - Page 75

YASKAWA E-7S SERVOPACK SGD7S
671 pages
To Next Page IconTo Next Page
To Next Page IconTo Next Page
To Previous Page IconTo Previous Page
To Previous Page IconTo Previous Page
Loading...
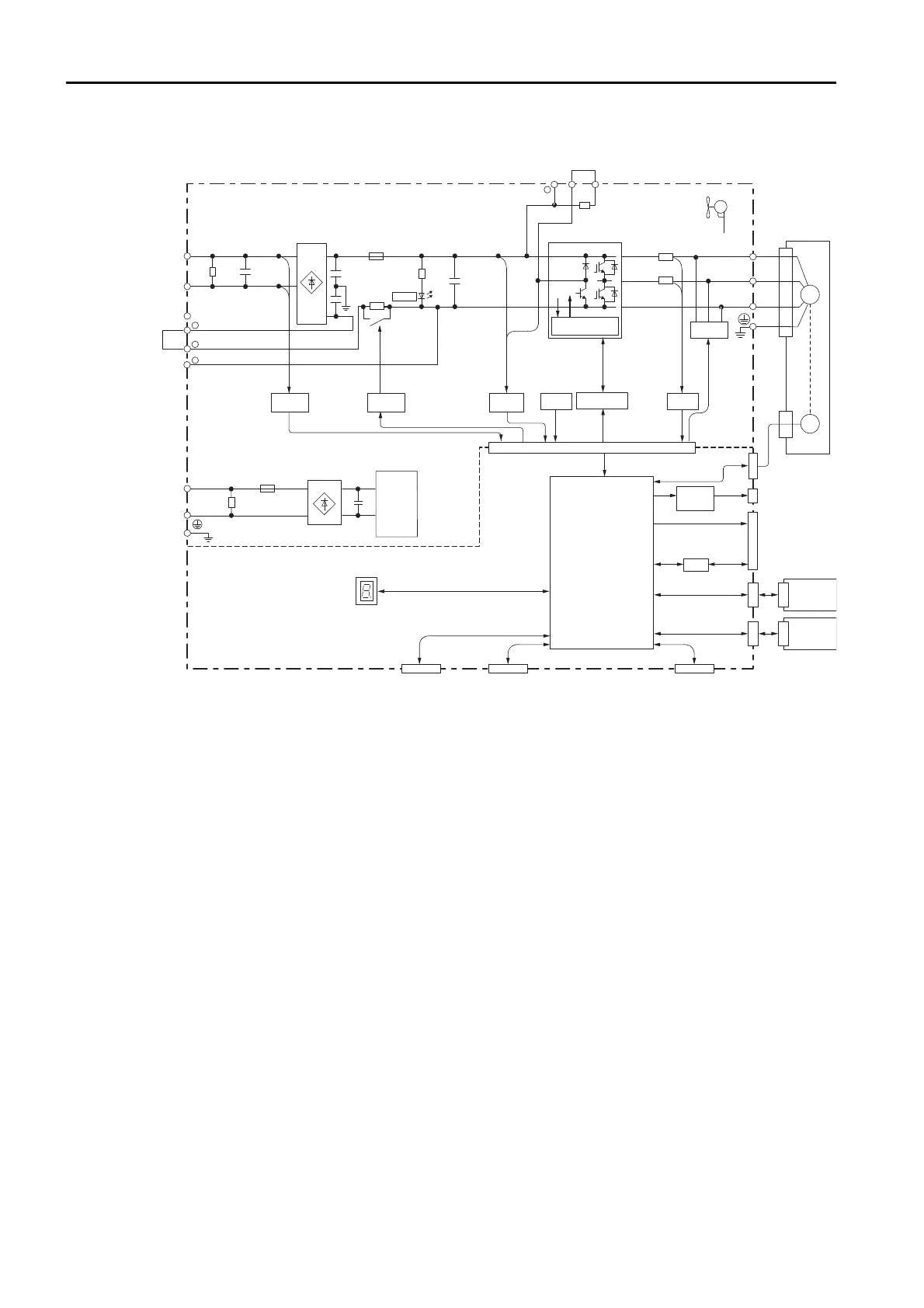
2.2 Block Diagrams
2.2.4 SGD7S-120A
2-14
Optional Specifications: Single-Phase, 200-VAC Power Supply Input (SERVOPACK Model:
SGD7S-120AE0A008)
L1C
L2C
CN3
CN2
CN1
CN5
CN7 CN8
Control
power
supply
Processor
(PWM control, position/
speed calculations, etc.)
Digital Operator Computer Safety function signals
Status display
Analog
voltage
converter
Control
power
supply
+
+
I/O
Encoder divided
pulse output
Analog monitor
output
I/O signals
INDEXER
Module
Feedback
Module
L1
B1/
B2 B3
L2
L3
1
2
U
V
W
ENC
M
CHARGE
-
+
-
-
Main
circuit
power
supply
Varistor
Varistor
Voltage
sensor
Current
sensor
Voltage
sensor
Relay
drive
Temperature
sensor
Gate drive
Dynamic
brake circuit
Servomotor
Fan
Overheat/
overcurrent
protection

Table of Contents

Related product manuals