EasyManua.ls Logo

ABB RED650 - Page 297

ABB RED650
926 pages
Print Icon
To Next Page IconTo Next Page
To Next Page IconTo Next Page
To Previous Page IconTo Previous Page
To Previous Page IconTo Previous Page
Loading...
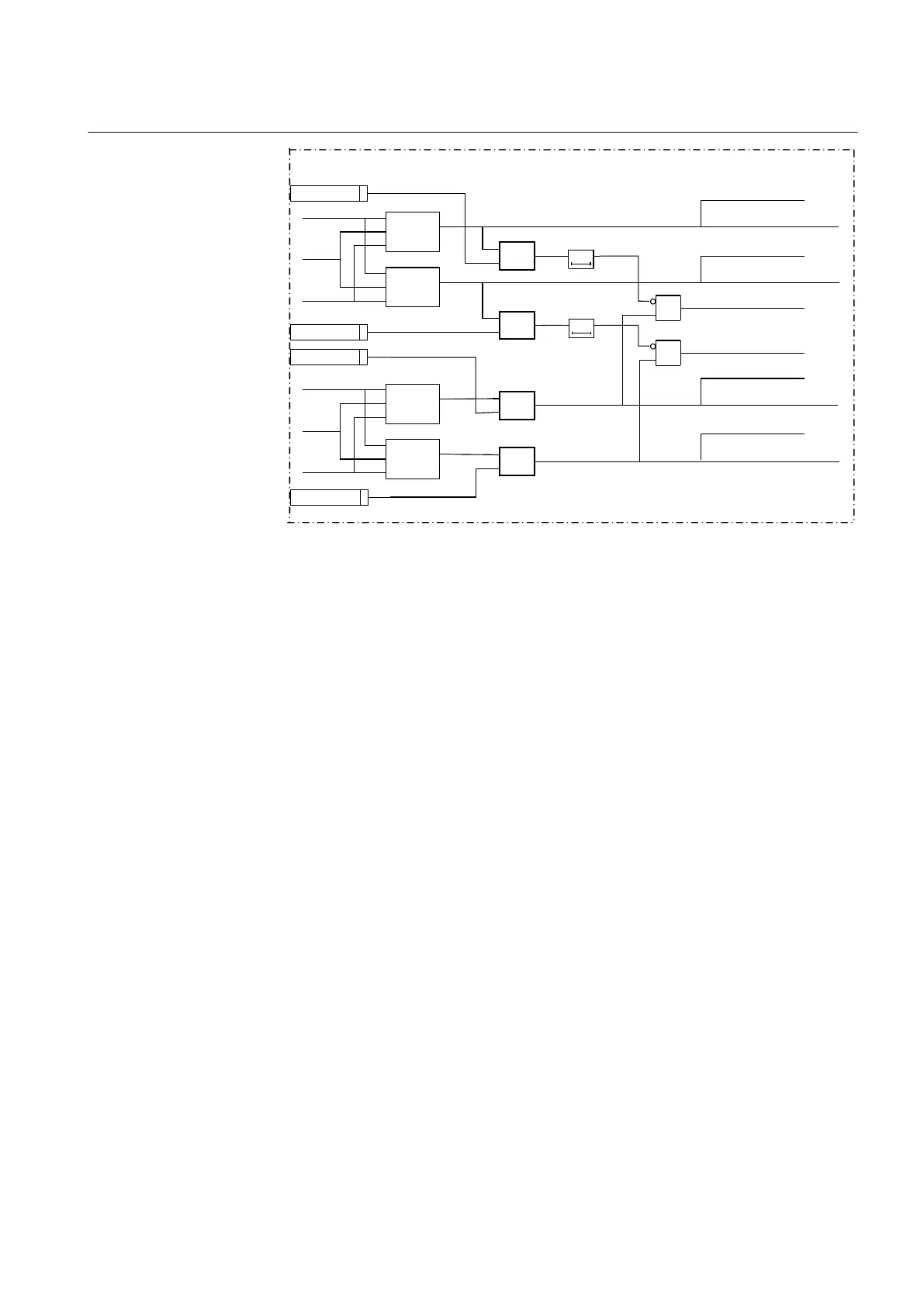
IL1
IL2
IL3
Zero
sequence
filter
Negative
sequence
filter
UL1
UL2
UL3
Zero
sequence
filter
Negative
sequence
filter
CurrZeroSeq
CurrNegSeq
a
b
a>b
a
b
a>b
a
b
a>b
a
b
a>b
3I2<
t
100 ms
t
100 ms
VoltZeroSeq
VoltNegSeq
AND
AND
FuseFailDetZeroSeq
FuseFailDetNegSeq
Sequence Detection
3U0>
3U2>
3I0
3I2
3U0
3U2
IEC10000036-2-en.vsd
3I0<
IEC10000036 V2 EN-US
Figure 137: Simplified logic diagram for sequence detection part
The calculated values 3U0, 3I0, 3I2 and 3U2 are available as service values on
local HMI and monitoring tool in PCM600.
Input and output signals
M13677-19 v6
The output signals 3PH, BLKU and BLKZ as well as the signals DLD1PH and
DLD3PH from dead line detections are blocked if any of the following conditions
occur:
The input BLOCK is activated
The input BLKTRIP is activated and the internal signal FuseFailStarted is not
present
The operation mode selector OpMode is set to Off
The IED is in TEST status (TEST-ACTIVE is high) and the function has been
blocked from the HMI (BlockFUSE=Yes)
The input BLOCK signal is a general purpose blocking signal of the fuse failure
supervision function. It can be connected to a binary input of the IED in order to
receive a block command from external devices or can be software connected to
other internal functions of the IED itself in order to receive a block command from
internal functions. Through OR gate it can be connected to both binary inputs and
internal function outputs.
The input BLKTRIP is intended to be connected to the trip output from any of the
protection functions included in the IED. When activated for more than 20 ms, the
operation of the fuse failure is blocked; a fixed drop-out timer prolongs the block
for 100 ms. The aim is to increase the security against unwanted operations during
1MRK 505 394-UEN A Section 11
Secondary system supervision
Line differential protection RED650 2.2 IEC 291
Technical manual

Table of Contents

Other manuals for ABB RED650

Related product manuals