EasyManua.ls Logo

ABB RED650 - Page 300

ABB RED650
926 pages
Print Icon
To Next Page IconTo Next Page
To Next Page IconTo Next Page
To Previous Page IconTo Previous Page
To Previous Page IconTo Previous Page
Loading...
DI<
UL1
DU>
a
b
a>b
t
20 ms
t
1.5 cycle
AND
DUDI detection Phase 1
UPh>
DUDI detection Phase 2
Same logic as for phase 1
IL1
DUDI detection Phase 3
Same logic as for phase 1
UL3
a
b
a<b
UL1
IL1
a
b
a>b
IPh>
AND
AND
CBCLOSED
OR
OR
AND
a
b
a<b
UL2
IL2
a
b
a>b
AND
AND
OR
OR
AND
a
b
a<b
UL3
IL3
a
b
a>b
AND
AND
OR
OR
AND
AND
FuseFailDetDUDI
DUDI Detection
DeltaIL1
DeltaUL1
DeltaIL2
DeltaUL2
DeltaIL3
DeltaUL3
IEC12000166-3-en.vsd
IL1
DI detection based on sample analysis
DU detection based on sample analysis
UL2
IL2
IL3
IL3
IL2
IL1
IL2
IL3
OR
IEC12000166 V3 EN-US
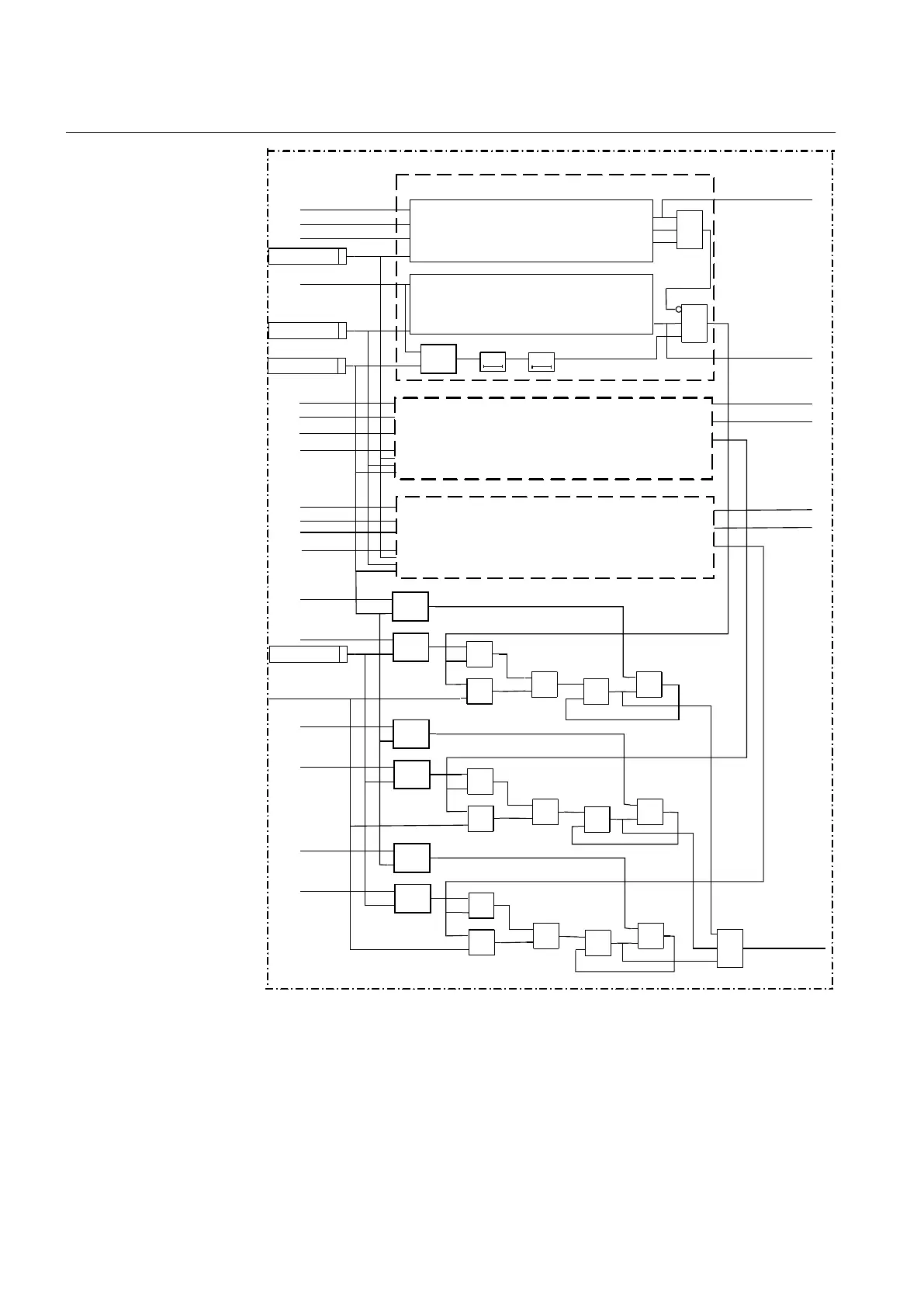
Figure 138: Simplified logic diagram for the DU/DI detection part
Section 11 1MRK 505 394-UEN A
Secondary system supervision
294 Line differential protection RED650 2.2 IEC
Technical manual

Table of Contents

Other manuals for ABB RED650

Related product manuals