EasyManua.ls Logo

ABB RED650 - Page 680

ABB RED650
926 pages
Print Icon
To Next Page IconTo Next Page
To Next Page IconTo Next Page
To Previous Page IconTo Previous Page
To Previous Page IconTo Previous Page
Loading...
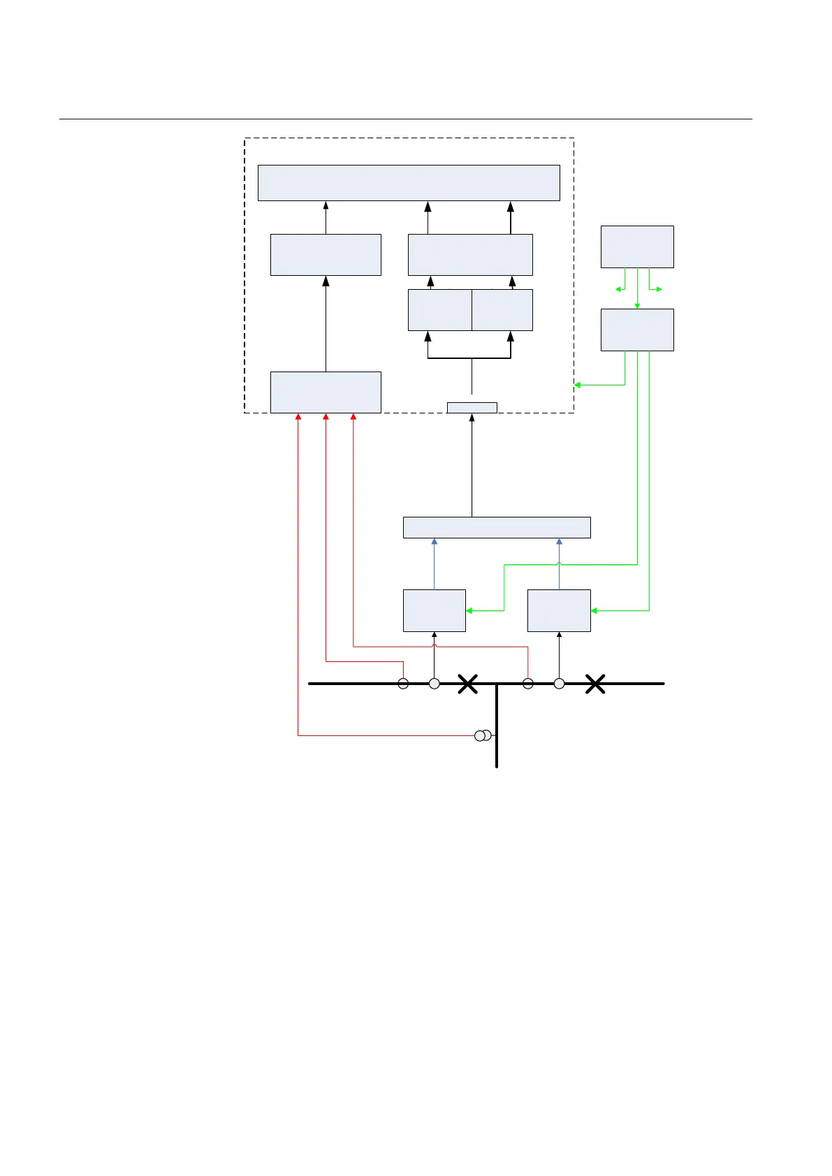
CTCT
Combi
Sensor
Merging
Unit
Merging
Unit
Ethernet Switch
Combi
Sensor
Conventional VT
IEC/UCA 61850-9-2LE
IEC/UCA 61850-9-2LE
IEC/UCA 61850-9-2LE
Splitter
Electrical-to-
Optical Converter
1PPS
1PPS
1PPS
110 V 1 A
Station Wide
GPS Clock
IEC080000723enOrigina l.vsd
Preprocessing blocks
SMAI
Application
MU1 MU2
1 A
TRM module
Preprocessing blocks
SMAI
IED
Access Point
IEC08000072 V3 EN-US
Figure 327: Example of signal path for sampled analogue values from MU and
conventional CT/VT
The function has the following alarm signals:
MUDATA:
Ok[0] indicates that the merging unit samples are received from the
merging unit and are accepted.
ERROR[1] indicates that the merging unit samples are generated by
internal substitution.
SYNCH:
OK[0] indicates
Section 18 1MRK 505 394-UEN A
Station communication
674 Line differential protection RED650 2.2 IEC
Technical manual

Table of Contents

Other manuals for ABB RED650

Related product manuals