EasyManua.ls Logo

Comtech EF Data cdm-570a - To EIA-422;449 Data Cable

Comtech EF Data cdm-570a
682 pages
Print Icon
To Next Page IconTo Next Page
To Next Page IconTo Next Page
To Previous Page IconTo Previous Page
To Previous Page IconTo Previous Page
Loading...
CDM-570A/570AL Satellite Modem with Optional Packet Processor
Revision 5
Cable Drawings A–2 MN-CDM570A
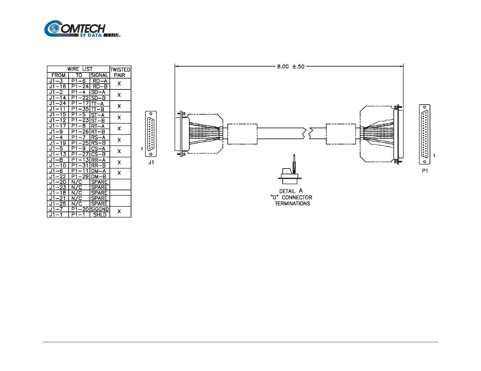
A.1.1 EIA-530 to EIA-422/449 Data Cable
Figure A-1. EIA-530 to EIA-422/449 DCE Conversion Cable (CEFD P/N CA/WR12753-1)

Table of Contents

Other manuals for Comtech EF Data cdm-570a

Related product manuals