EasyManua.ls Logo

Comtech EF Data cdm-570a - Cabling the CDM;R-570 AL-IP

Comtech EF Data cdm-570a
682 pages
Print Icon
To Next Page IconTo Next Page
To Next Page IconTo Next Page
To Previous Page IconTo Previous Page
To Previous Page IconTo Previous Page
Loading...
CDM-570A/570AL Satellite Modem with Optional Packet Processor
Revision 5
1:1 IP Redundancy N–11 MN-CDM570A
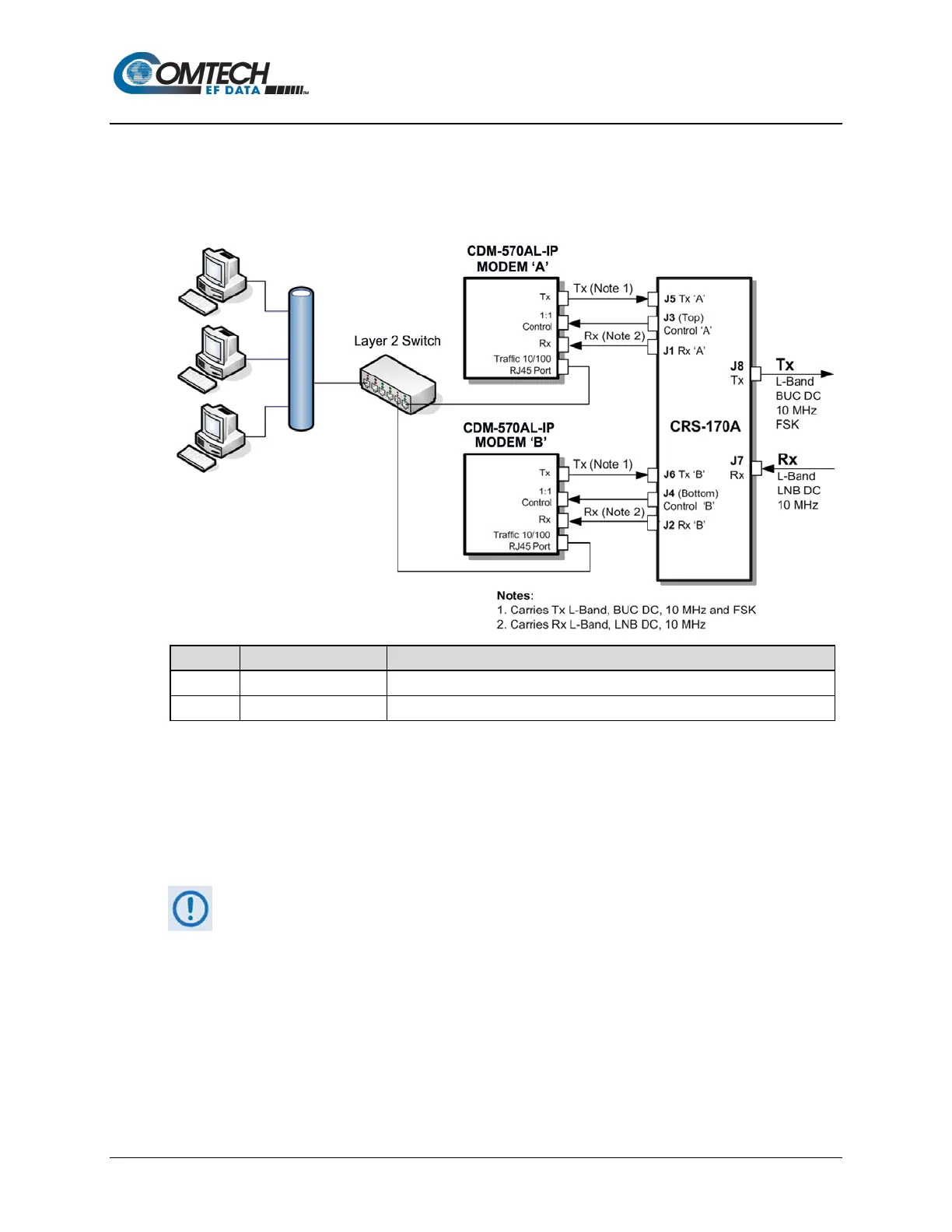
N.7 Cabling the CDM/R-570AL-IP
Figure N-5 shows connection of a pair of CDM/R-570AL-IP s to the CRS-170A L-Band 1:1
Redundancy Switch. The table provided here lists cable assemblies that may be supplied with the
CRS-170A.
Quantity
Part #
Description
2
CA/WR9378-4
Control Cable, Universal, DB9 Male to Male, 4
4
CA/RF10453-4
RoHS-Compliant Cable IF (Tx/Rx), 50Ω Type ‘N’, 4
Figure N-5. CDM/R-570AL-IP and CRS-170A Interconnect
It is essential that you correctly make the control and Rx/Tx IF cable connections. For example,
the Tx IF from Modem ‘A’ connects to the Tx IF port ‘A’ on the CRS-170A, and Modem ‘B’
connects to the Tx IF Port ‘B’ (and the same for the Rx IF connections). Failure to observe this
cabling requirement will result in system malfunction.
When connecting the control cables between the CRS-170A and the modems,
make sure that the screw locks on the Type ‘D’ connectors are securely fastened.
This prevents the accidental unmating of the cable, particularly if a standby unit
must be removed or replaced.

Table of Contents

Other manuals for Comtech EF Data cdm-570a

Related product manuals