EasyManua.ls Logo

Gilera GP 800 i.e. - Horn Control

Gilera GP 800 i.e.
431 pages
Print Icon
To Next Page IconTo Next Page
To Next Page IconTo Next Page
To Previous Page IconTo Previous Page
To Previous Page IconTo Previous Page
Loading...
12) Check the continuity of the cable harness between fuse No. 9 and the engine stop switch (White-
Black cable). Also check continuity between the latter (positive multimeter probe, Yellow-Green cable)
and pin 27 of the control unit vehicle-side connector (negative probe, Green cable).
13) Check the contacts of the starter button, stop buttons, stand button and engine stop switch.
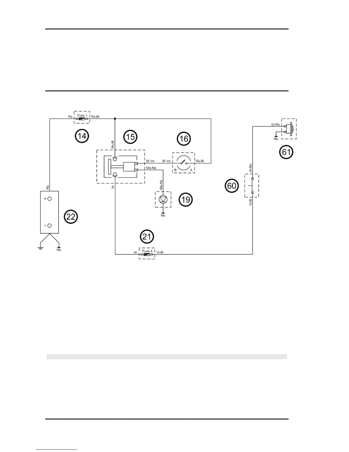
Horn control
KEY
14. Main fuses
15. Main relay
16. Key switch contacts
19. 1A diode
21. Auxiliary fuses
22. 12V - 14Ah battery
60. Horn button
61. Horn
WARNING
ALL CONTINUITY TESTS MUST BE CARRIED OUT WITH THE CORRESPONDING CONNECTORS
DISCONNECTED.
Electrical system GP 800 i.e.
ELE SYS - 38

Table of Contents

Related product manuals