EasyManua.ls Logo

Gilera GP 800 i.e. - Lighting, Indicators, and Controls

Gilera GP 800 i.e.
431 pages
Print Icon
To Next Page IconTo Next Page
To Next Page IconTo Next Page
To Previous Page IconTo Previous Page
To Previous Page IconTo Previous Page
Loading...
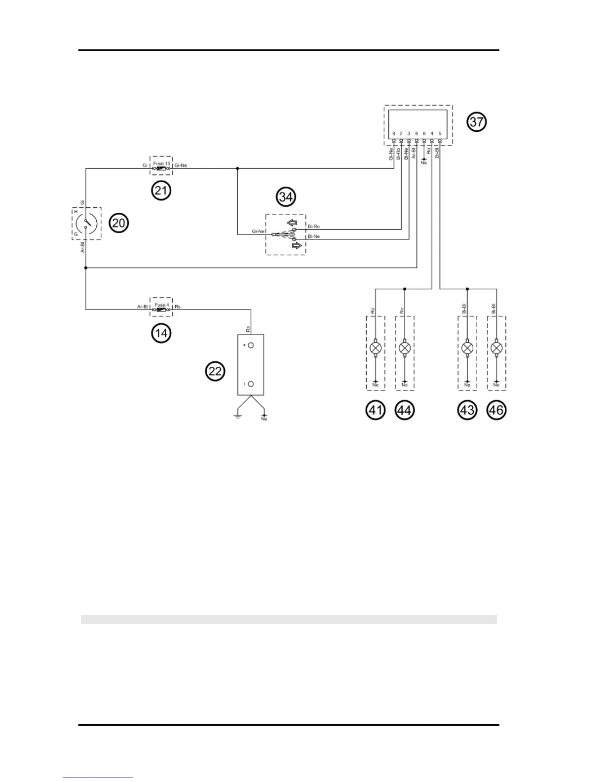
Turn signals system check
KEY
14. Main fuses
20. Key switch contacts
21. Auxiliary fuses
22. 12V - 14Ah battery
34. Turn indicator switch
37. Turn indicator control device
41. Rear left turn indicator bulb
43. Rear right turn indicator bulb
44. Front left turn indicator bulb
46. Front right turn indicator bulb
WARNING
ALL CONTINUITY TESTS MUST BE CARRIED OUT WITH THE CORRESPONDING CONNECTORS
DISCONNECTED.
Electrical system GP 800 i.e.
ELE SYS - 40

Table of Contents

Related product manuals