EasyManua.ls Logo

MBO T700 - Double Sheet Control

MBO T700
479 pages
Print Icon
To Next Page IconTo Next Page
To Next Page IconTo Next Page
To Previous Page IconTo Previous Page
To Previous Page IconTo Previous Page
Loading...
Page 55Alterations reserved Stand 12/2002
Operating Manual
T 700 / T 800.1 - FP ENG
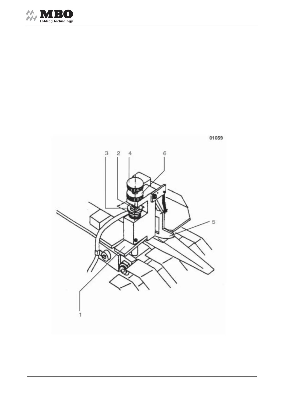
5.3.2 Double sheet control
Press the lever 1 and insert a paper strip (which you are running) into the gap 2 between the bolt 3
and the knurled screw 4.
Insert a double paper strip under the segment 5. Turn the knurled screw 4 until the segment 5 has
switched and tighten the knurled nut 6 after the adjustment of the double sheet control has been
completed.
If you check with a single paper strip the machine must continue to run.Re-adjust, if necessary!
Please note that the double sheet control stops the sheet infeed at first. The machine will
stop if no sheets are in the machine!

Table of Contents

Related product manuals