EasyManua.ls Logo

MBO T700 - Crossfold setup; Crossfold setup K1-K3

MBO T700
479 pages
Print Icon
To Next Page IconTo Next Page
To Next Page IconTo Next Page
To Previous Page IconTo Previous Page
To Previous Page IconTo Previous Page
Loading...
Seite 88
Alterations reserved
Stand 05/2008
Operating manual T700/T800.1 - en
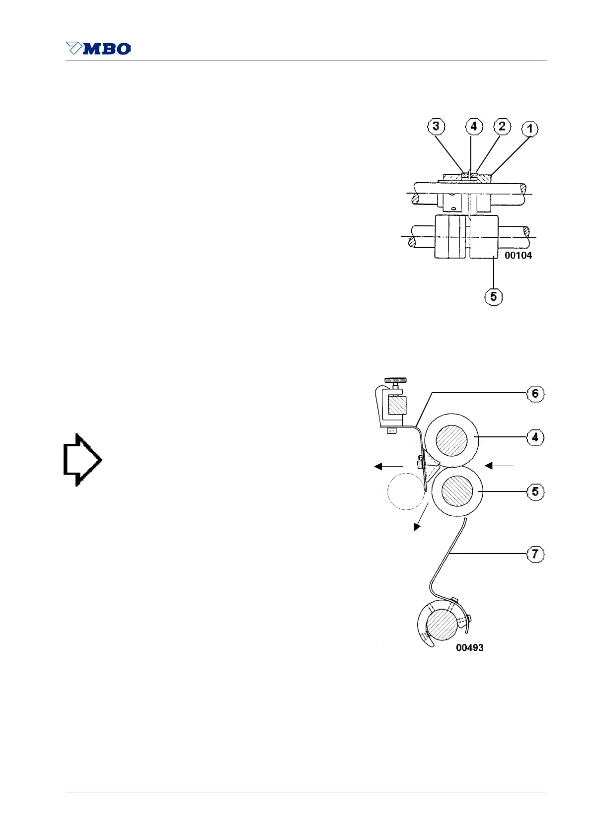
7.3 Edge trim
Install the knife holder 1 with rubber
rings 2 and 3 and cutting knife 4
onto the upper slitter shaft.
Place a distance washer (0.5 mm)
between rubber rings 2 and cutting
knife 4. Place the counter knife 5
at bottom against it.
Paper cut-off is guided between 2
and stripper 6; use also stripper 7.
> NOTICE < If you obtain an angled cut
or badly guided paper trim-off you may
also install the knife holder 1 onto the
lower slitter shaft; the cutting knife 4
into the direction of the folding product.
It mostly depends on the paper
thickness and paper fibre.
Experiences shows that the following
alternative of installation reveals
in the best result:
knife top 4, counter knife bottom 5,
cut edge of top knife 4 into direction
of paper cutoff. Paper cutoff
is guided by rubber ring.

Table of Contents

Related product manuals