EasyManua.ls Logo

Yamaha F115A - CAMSHAFTS

Yamaha F115A
709 pages
Print Icon
To Next Page IconTo Next Page
To Next Page IconTo Next Page
To Previous Page IconTo Previous Page
To Previous Page IconTo Previous Page
Loading...
5-21
POWR
E
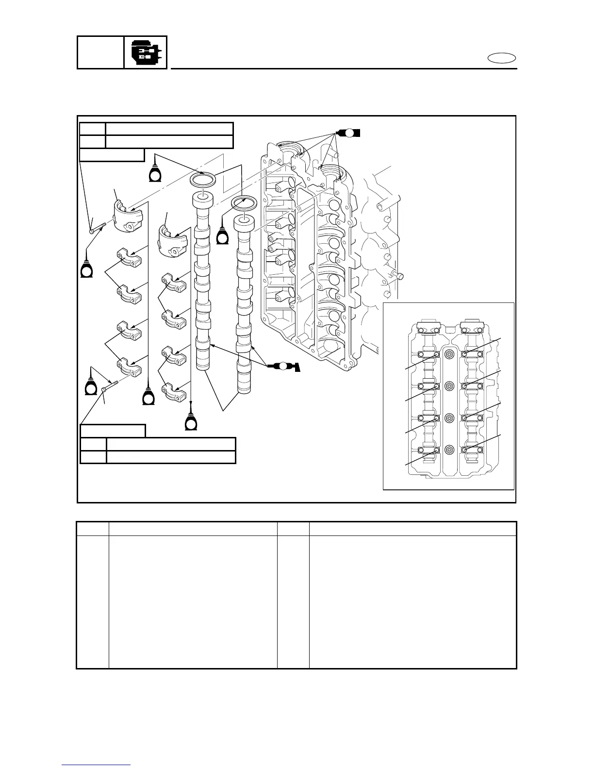
CAMSHAFTS 5
REMOVING/INSTALLING THE CAMSHAFTS 4
Order Job/Part Q’ty Remarks
Cylinder head cover Refer to “CYLINDER HEAD COVER” on
page 5-20.
1 Bolt 16
2 Bolt 4
3 Camshaft cap 2
4 Camshaft cap 8
5 Oil seal 2
6 Camshaft 2
For installation, reverse the removal
procedure.
Å
8 Nm (0.8 m • kgf, 5.8 ft • Ib)1st
17 Nm (1.7 m • kgf, 12 ft • Ib)2nd
2
4
1
6
3
3
5
M
E
E
E
E
7 × 37 mm
8 Nm (0.8 m • kgf, 5.8 ft • Ib)1st
17 Nm (1.7 m • kgf, 12 ft • Ib)2nd
7 × 48 mm
4
4
E
E
4
7
5
6
8
2
1
3
4
3
4
6
5
2
1
7
8
0
99
0
5230
CAMSHAFTS

Table of Contents

Other manuals for Yamaha F115A

Related product manuals