EasyManua.ls Logo

Yamaha F115A - Disassembling;Assembling the Propeller Shaft Housing Assembly

Yamaha F115A
709 pages
Print Icon
To Next Page IconTo Next Page
To Next Page IconTo Next Page
To Previous Page IconTo Previous Page
To Previous Page IconTo Previous Page
Loading...
6-36
E
LOWR
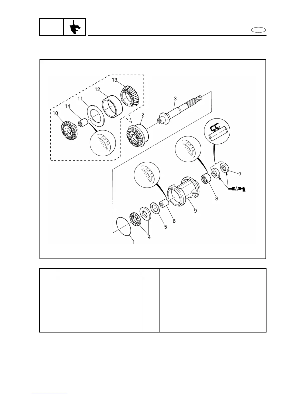
PROPELLER SHAFT HOUSING ASSEMBLY
(COUNTER ROTATION MODELS)
6
DISASSEMBLING/ASSEMBLING THE PROPELLER SHAFT HOUSING ASSEMBLY 6
Order Job/Part Q’ty Remarks
1 O-ring 1
2 Forward gear assembly 1
3 Rear propeller shaft 1
4 Thrust bearing 1
5 Propeller shaft shim *
6 Needle bearing 1
7 Oil seal 2
Continued on next page.
*: As required
6470

Table of Contents

Other manuals for Yamaha F115A

Related product manuals