EasyManua.ls Logo

Yamaha F115A - VALVES

Yamaha F115A
709 pages
Print Icon
To Next Page IconTo Next Page
To Next Page IconTo Next Page
To Previous Page IconTo Previous Page
To Previous Page IconTo Previous Page
Loading...
5-26
POWR
E
VALVES
VALVES
5
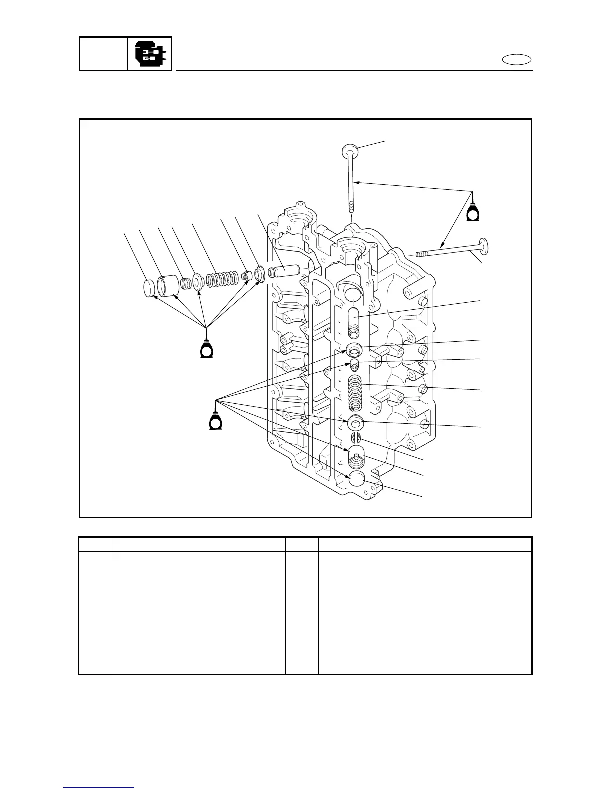
REMOVING/INSTALLING THE VALVES 4
Order Job/Part Q’ty Remarks
Camshaft and cylinder head
assembly
Refer to “CAMSHAFTS” on page 5-21
and “CYLINDER HEAD ASSEMBLY” on
page 5-23.
1 Valve pad 16
2 Valve lifter 16
3 Valve cotter 32
4 Spring retainer 16
5 Valve spring 16
Continued on next page.
5290
8
9
8
7
6
5
4
3
2
1
10
7
6
5
4
3
2
1
E
E
E

Table of Contents

Other manuals for Yamaha F115A

Related product manuals