EasyManua.ls Logo

Yamaha F115A - Disassembling;Assembling the Steering Handle

Yamaha F115A
709 pages
Print Icon
To Next Page IconTo Next Page
To Next Page IconTo Next Page
To Previous Page IconTo Previous Page
To Previous Page IconTo Previous Page
Loading...
7-4
BRKT
E
7
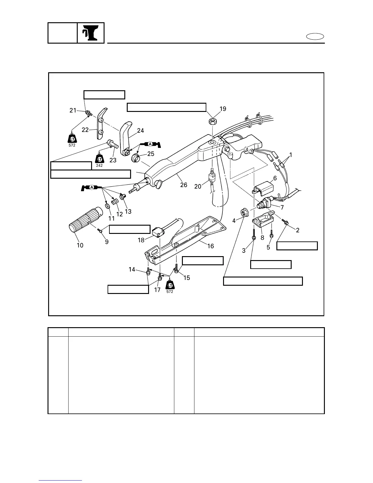
DISASSEMBLING/ASSEMBLING THE STEERING HANDLE
Order Job/Part Q’ty Remarks
1 Engine stop switch leads 2
2 Bolt 1
3 Bolt 1
4 Nut 1
5 Screw 1
6 Cover 1
7 Main switch assembly 1
8 Holder 1
Continued on next page.
7030
5 × 20 mm
6 × 16 mm
6 × 16 mm
4 Nm (0.4 m • kgf, 2.9 ft • Ib)
8 × 40 mm
18 Nm (1.8 m • kgf, 13 ft • Ib)
6 × 40 mm
6 × 25 mm
6 × 20 mm
5 Nm (0.5 m • kgf, 3.7 ft • Ib)
STEERING HANDLE (OPTION)

Table of Contents

Other manuals for Yamaha F115A

Related product manuals