EasyManua.ls Logo

Yamaha F115A - Removing;Installing the Tilt Ram Assembly and Gear Pump Unit

Yamaha F115A
709 pages
Print Icon
To Next Page IconTo Next Page
To Next Page IconTo Next Page
To Previous Page IconTo Previous Page
To Previous Page IconTo Previous Page
Loading...
7-41
BRKT
E
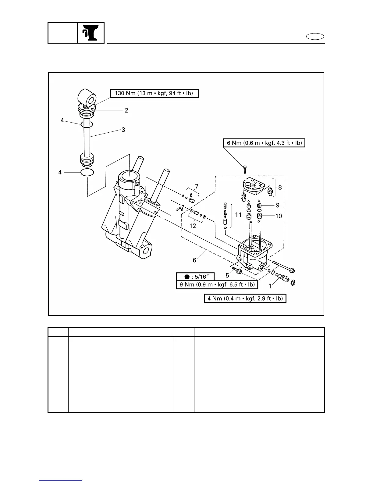
TILT RAM ASSEMBLY AND GEAR PUMP UNIT
TILT RAM ASSEMBLY AND GEAR PUMP UNIT
7
REMOVING/INSTALLING THE TILT RAM ASSEMBLY AND GEAR PUMP UNIT
Order Job/Part Q’ty Remarks
Reservoir and power trim and tilt
motor
Refer to “RESERVOIR AND POWER TRIM
AND TILT MOTOR” on page 7-33.
1 Manual valve 1
2 Tilt ram end screw 1
3 Tilt ram assembly 1
4 O-ring 2
5 Bolt 3
6 Gear pump unit 1
Continued on next page.
7290

Table of Contents

Other manuals for Yamaha F115A

Related product manuals