EasyManua.ls Logo

Yamaha F115A - Page 248

Yamaha F115A
709 pages
Print Icon
To Next Page IconTo Next Page
To Next Page IconTo Next Page
To Previous Page IconTo Previous Page
To Previous Page IconTo Previous Page
Loading...
5-27
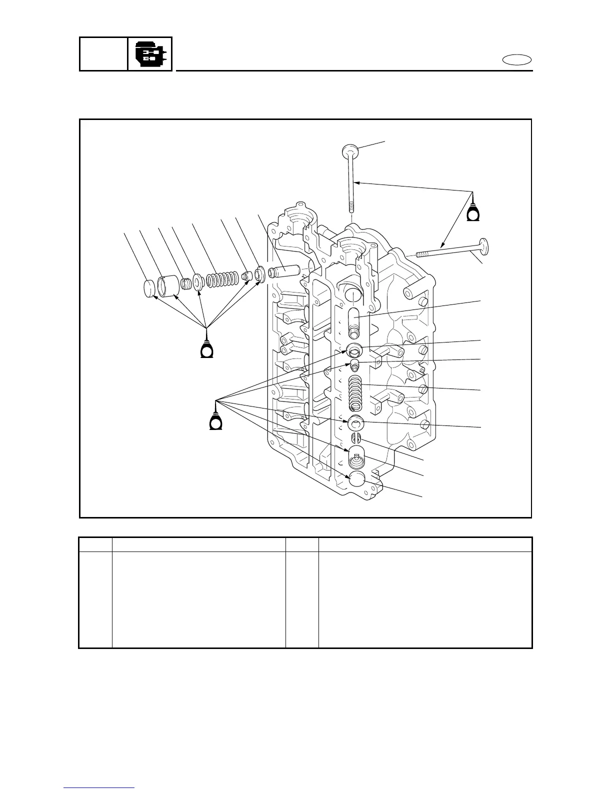
POWR
E
VALVES
5
4
Order Job/Part Q’ty Remarks
6 Valve stem seal 16
7 Spring seat 16
8 Valve guide 16
9 Intake valve 8
10 Exhaust valve 8
For installation, reverse the removal
procedure.
8
9
8
7
6
5
4
3
2
1
10
7
6
5
4
3
2
1
E
E
E
5290

Table of Contents

Other manuals for Yamaha F115A

Related product manuals