EasyManua.ls Logo

Yamaha F115A - Page 488

Yamaha F115A
709 pages
Print Icon
To Next Page IconTo Next Page
To Next Page IconTo Next Page
To Previous Page IconTo Previous Page
To Previous Page IconTo Previous Page
Loading...
7-5
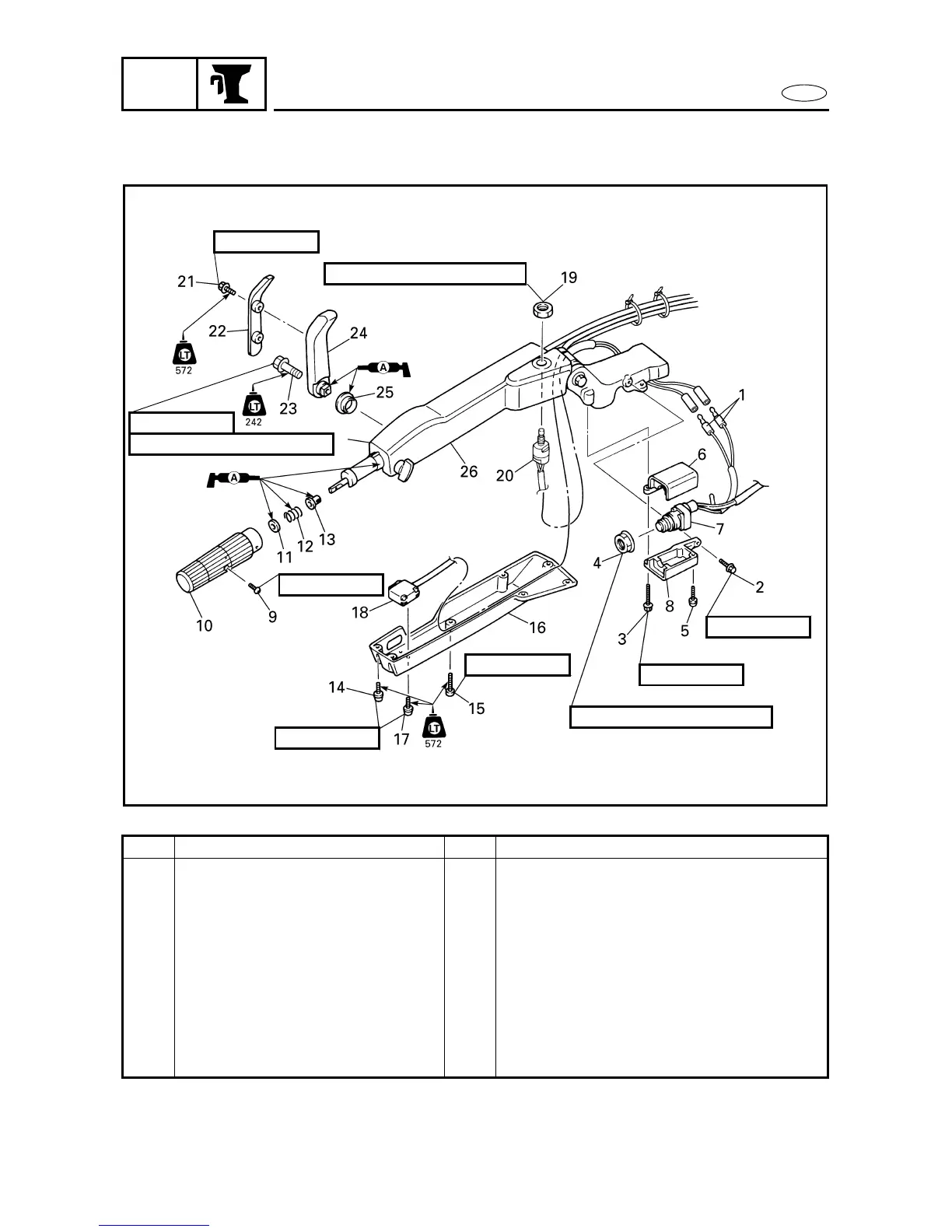
BRKT
E
7
Order Job/Part Q’ty Remarks
9 Screw 1
10 Throttle grip 1
11 Washer 1
12 Spring 1
13 Bushing 1
14 Screw 5
15 Screw 2
16 Cover 1
17 Screw 2
Continued on next page.
7030
5 × 20 mm
6 × 16 mm
6 × 16 mm
4 Nm (0.4 m • kgf, 2.9 ft • Ib)
8 × 40 mm
18 Nm (1.8 m • kgf, 13 ft • Ib)
6 × 40 mm
6 × 25 mm
6 × 20 mm
5 Nm (0.5 m • kgf, 3.7 ft • Ib)
STEERING HANDLE (OPTION)

Table of Contents

Other manuals for Yamaha F115A

Related product manuals