EasyManua.ls Logo

degdrive DGI900 - Braking Resistors

degdrive DGI900
251 pages
Print Icon
To Next Page IconTo Next Page
To Next Page IconTo Next Page
To Previous Page IconTo Previous Page
To Previous Page IconTo Previous Page
Loading...
25
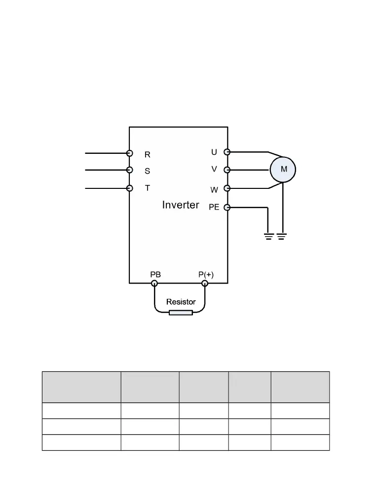
2.5.4 Braking Resistors
DGI900 series inverters under 22KW have built-in braking units. If energy consuming
braking is needed, please choose braking resistors according to Table 2-3. The wire
connection of braking resistors is shown in Fig. 2-3.
Fig.2-2 The wire connection of braking resistors
Table 2-3 Braking resistors selection table
Model
Applicable motor
(KW)
Resistance
(Ω )
Resistance
power (W)
Braking unite
DGI900-2S0004G 0.4 200 100 Built in
DGI900-2S0007G 0.75 150 200 Built in
DGI900-2S0015G 1.5 100 400 Built in

Table of Contents