EasyManua.ls Logo

Evinrude E-tec 75 HP - Ignition System Circuit Diagram, 75 - 90 Hp

Evinrude E-tec 75 HP
426 pages
Print Icon
To Next Page IconTo Next Page
To Next Page IconTo Next Page
To Previous Page IconTo Previous Page
To Previous Page IconTo Previous Page
Loading...
91
ELECTRICAL AND IGNITION
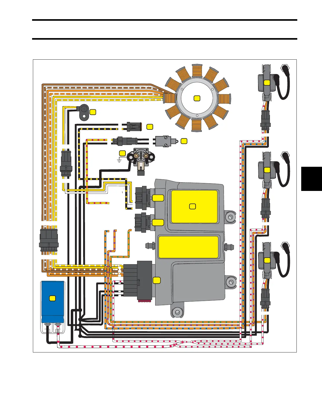
IGNITION SYSTEM CIRCUIT DIAGRAM, 75 – 90 HP
6
IGNITION SYSTEM CIRCUIT DIAGRAM, 75 – 90 HP
1
2
3
5
6
7
8
12
13
14
15
16
9
10
11
7
6
5
4
3
2
1
13
12
11
10
9
8
7
6
5
4
3
2
1
8
9
18
17
16
15
14
13
12
11
10
13
12
11
10
17
16
15
14
34
33
32
31
30
29
28
27
26
24
25
23
22
21
20
19
18
26
24
25
23
22
21
20
19
17
16
15
14
18
J1-B
J1-A
J2
4
123
1 23
+
1
23456
234561
2
1
13
5
2
3
1
8
4
6
123
3
7
123
2
7
123
1
7
2
1
1.
2.
3.
Key switch (stop circuit)
Neutral switch
Stator
4.
5.
6.
EMM
Crankshaft position sensor
Capacitor
7.
8.
Ignition coil
Main harness ground

Table of Contents

Related product manuals