EasyManua.ls Logo

Harris Constellation - Figure 5-3: Example of DS3 Channel with Partial Add;Drop, Back-To-Back Terminals; Figure 5-4: Example of Dropping a DS3 Channel Using an Integral MUX

Default Icon
292 pages
Print Icon
To Next Page IconTo Next Page
To Next Page IconTo Next Page
To Previous Page IconTo Previous Page
To Previous Page IconTo Previous Page
Loading...
Harris Corporation Constellation™
SYSTEM from the CONFIGURATION Submenu 5-3
CONFIGURING THE
CONSTELLATION
RADIO
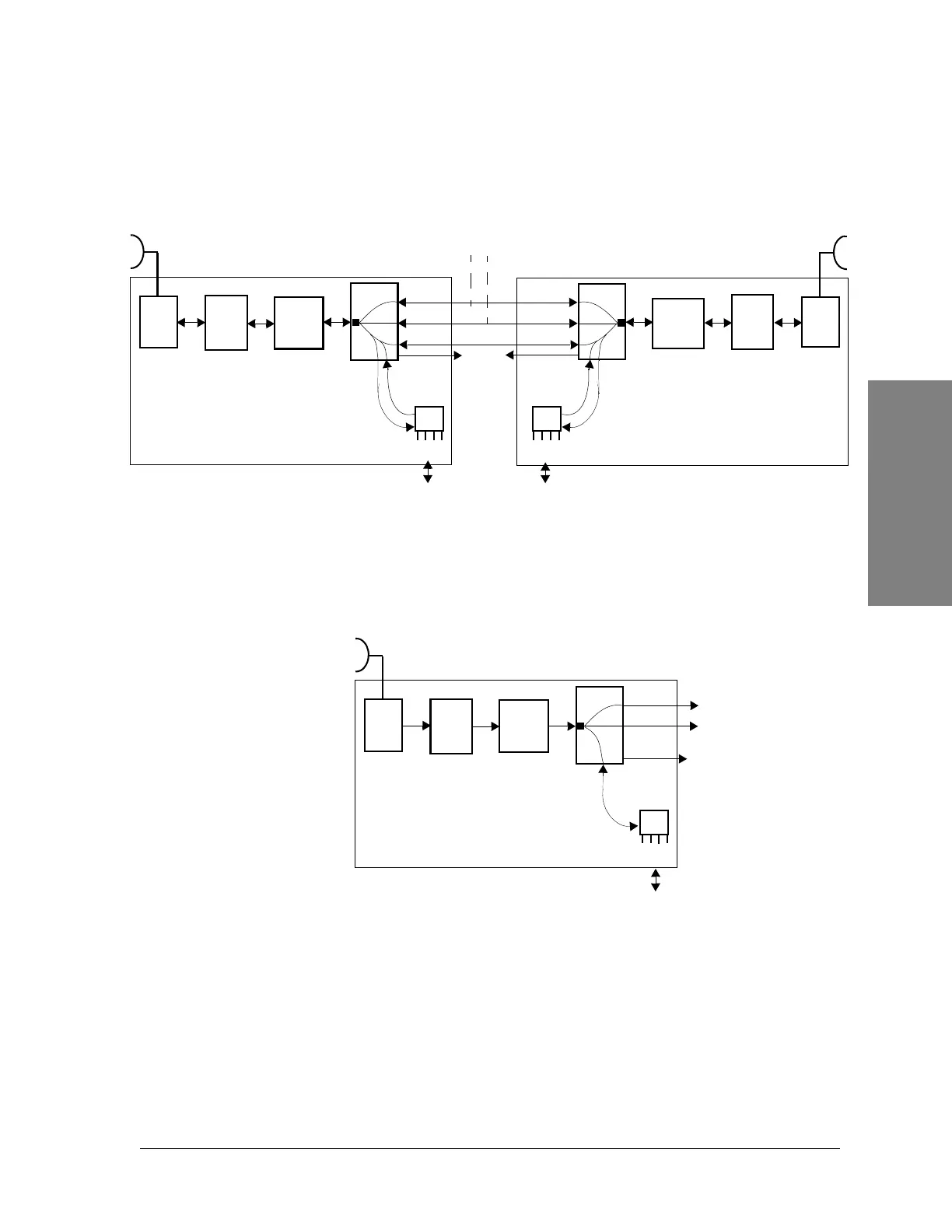
Figure 5-3: Example of DS3 channel with partial add/drop,
back-to-back terminals
Figure 5-4: Example of dropping a DS3 channel using an
integral MUX
n
DS3-1
DS3-2
DS3-3
RF
shelf
HLM
Modem
ACU
RF
shelf
HLM
Modem
ACU
T1 signals
n x T2
Customer
(Add/Drop)
n
M12 Unit(s)
T1 signals
n x T2
Customer
(Add/Drop)
DS3-1
DS3-2
DS3-3
DS3
Customer interface
NOTES
n = Number of M12 Units (1 to 4)
T2 = 4 DS1 = 1 M12
T3 = 7 T2 = 28 T1
M12 Unit(s)
Wayside
DS1
DS1
1-7
DS3-1
DS3-2
RF
shelf
HLM
Modem
ACU
28 DS1s
Customer
M12 Units
Wayside
DS1

Table of Contents

Other manuals for Harris Constellation

Related product manuals