EasyManua.ls Logo

HP 8920A - AF ANALYZER Functional Block Diagram; Block Diagram

HP 8920A
658 pages
Print Icon
To Next Page IconTo Next Page
To Next Page IconTo Next Page
To Previous Page IconTo Previous Page
To Previous Page IconTo Previous Page
Loading...
100
S:\HP892XX\USRGUIDE\manual\afascrn.fb
Chapter 5, AF Analyzer Screen
Block Diagram
Block Diagram
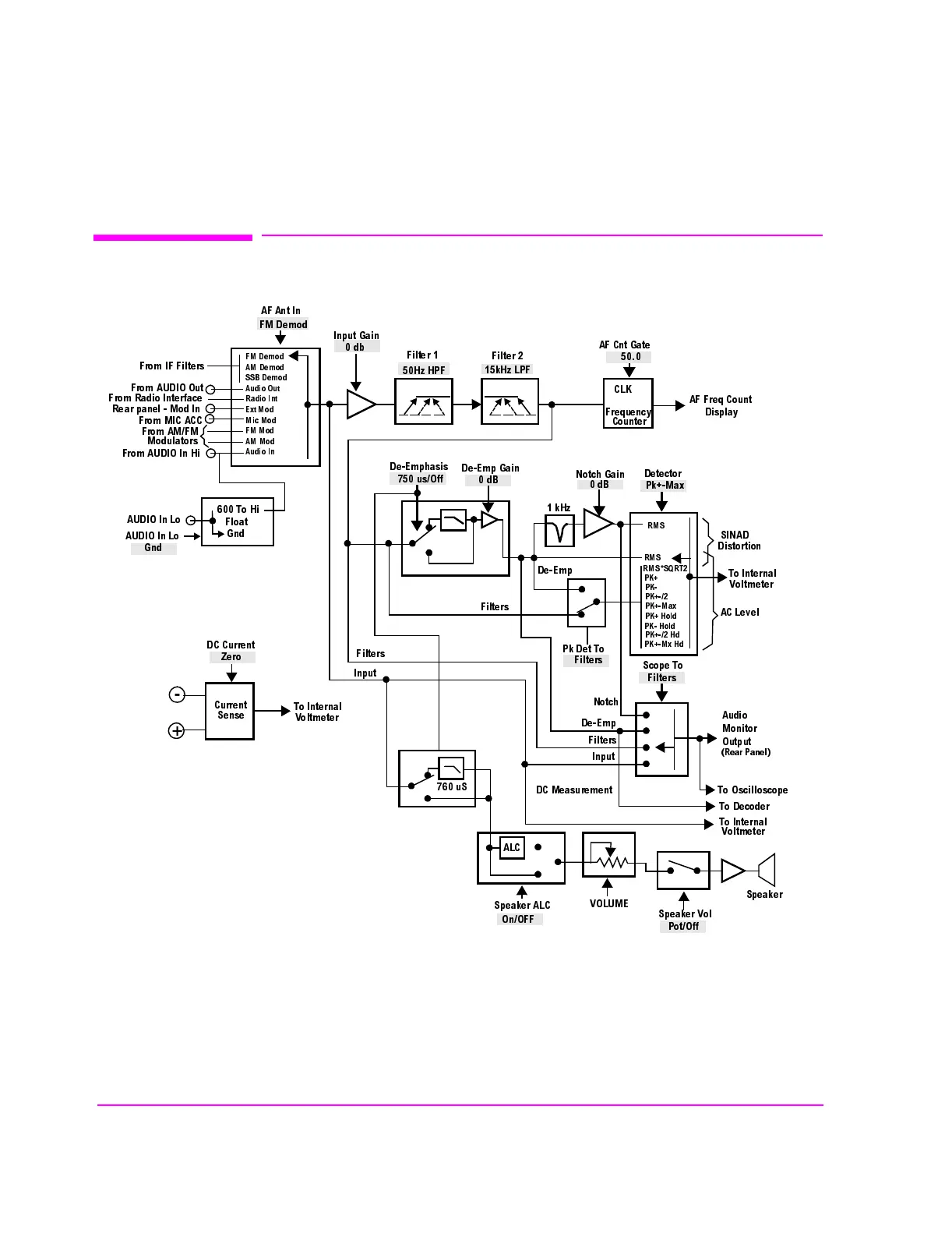
Figure 15 AF ANALYZER Functional Block Diagram
1
The Settling, Gain Cntl, and Ext Load R fields are not shown.
2
Variable Frequency Notch if purchased.
'H(PSKDVLV
'H(PS*DLQ
1RWFK*DLQ
G%
G%
$XGLR
0RQLWRU
2XWSXW
5HDU3DQHO
7R2VFLOORVFRSH
7R'HFRGHU
7R,QWHUQDO
9ROWPHWHU
6SHDNHU
6SHDNHU9RO
3RW2II
92/80(
6SHDNHU$/&
2Q2))
$/&
'&0HDVXUHPHQW
1RWFK
'H(PS
)LOWHUV
,QSXW
X6
,QSXW
)LOWHUV
)LOWHUV
'H(PS
3N'HW7R
)LOWHUV
506
5066457
3.
3.
3.
3.+ROG
3.+ROG
3.+G
3.0[+G
3.0D[
7R,QWHUQDO
9ROWPHWHU
$&/HYHO
6,1$'
'LVWRUWLRQ
)0'HPRG
$0'HPRG
66%'HPRG
$XGLR2XW
5DGLR,QW
([W0RG
0LF0RG
)00RG
$00RG
$XGLR,Q
)URP,))LOWHUV
)URP$8',22XW
)URP5DGLR,QWHUIDFH
5HDUSDQHO0RG,Q
)URP0,&$&&
)URP$0)0
0RGXODWRUV
)URP$8',2,Q+L
506
7R,QWHUQDO
9ROWPHWHU
&XUUHQW
6HQVH
-
+
'&&XUUHQW
=HUR
$8',2,Q/R
$8',2,Q/R
*QG
*QG
7R+L
)ORDW
XV2II
'HWHFWRU
3N0D[
&/.
)UHTXHQF\
&RXQWHU
$))UHT&RXQW
'LVSOD\
$)&QW*DWH

)LOWHU
+]+3)
N+]/3)
)LOWHU
,QSXW*DLQ
GE
$)$QW,Q
)0'HPRG
6FRSH7R
)LOWHUV
N+]

Table of Contents

Other manuals for HP 8920A

Related product manuals