EasyManua.ls Logo

HP 8920A - The RX Test Fields and Their Functions

HP 8920A
658 pages
Print Icon
To Next Page IconTo Next Page
To Next Page IconTo Next Page
To Previous Page IconTo Previous Page
To Previous Page IconTo Previous Page
Loading...
494
S:\HP892XX\USRGUIDE\manual\rxtscrn.fb
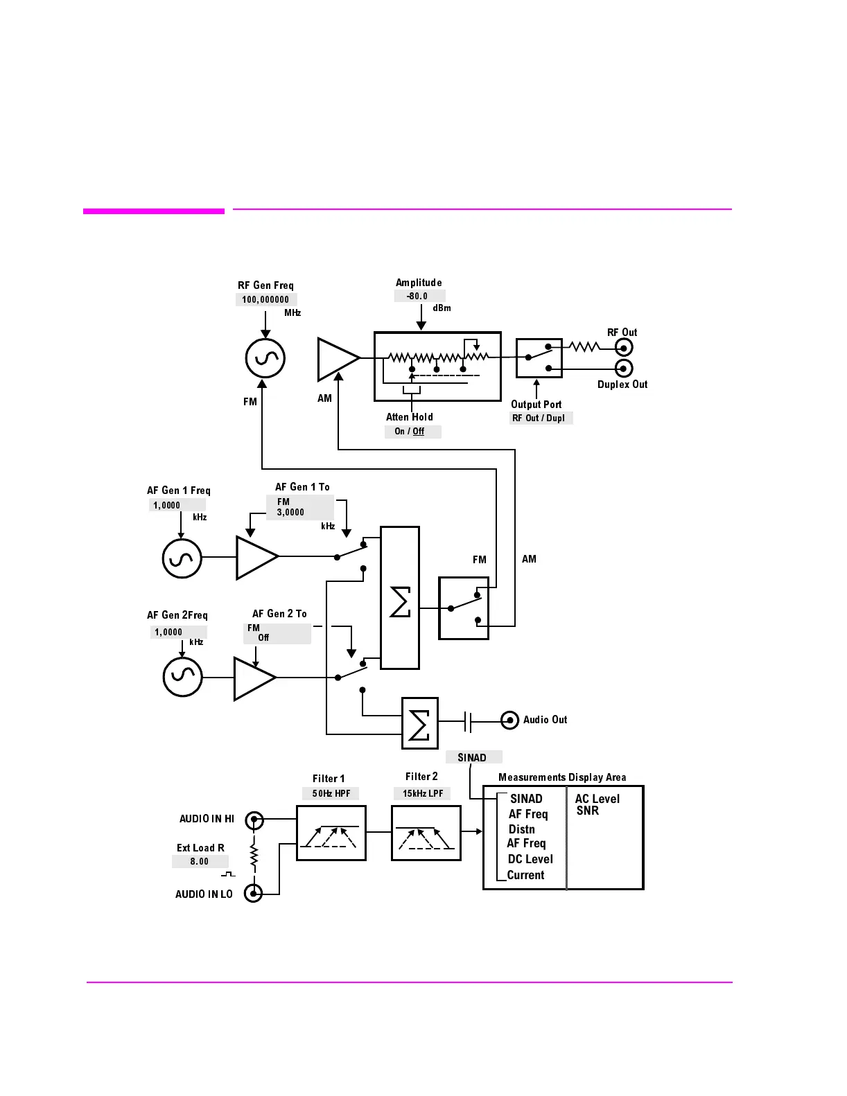
Chapter 19, RX Test Screen
Block Diagram
Block Diagram
Figure 124 The RX Test Fields and Their Functions
$WWHQ+ROG
$0
)0
5)*HQ)UHT
0+]


G%P
2Q2II
5)2XW'XSO
2XWSXW3RUW
5)2XW
'XSOH[2XW
$PSOLWXGH
$)*HQ)UHT
$)*HQ7R
$)*HQ)UHT
$)*HQ7R
)0
$0
N+]


N+]
)0
2II
)0

+]+3)
N+]/3)

)LOWHU
)LOWHU
$XGLR2XW
$8',2,1+,
([W/RDG5
$8',2,1/2
6,1$'
0HDVXUHPHQWV'LVSOD\$UHD
N+]
6,1$'
$))UHT
'LVWQ
$))UHT
'&/HYHO
&XUUHQW
$&/HYHO
615

Table of Contents

Other manuals for HP 8920A

Related product manuals