EasyManua.ls Logo

HP 8920A - RF GENERATOR Functional Block Diagram

HP 8920A
658 pages
Print Icon
To Next Page IconTo Next Page
To Next Page IconTo Next Page
To Previous Page IconTo Previous Page
To Previous Page IconTo Previous Page
Loading...
484
S:\HP892XX\USRGUIDE\manual\rfgscrn.fb
Chapter 18, RF Generator Screen
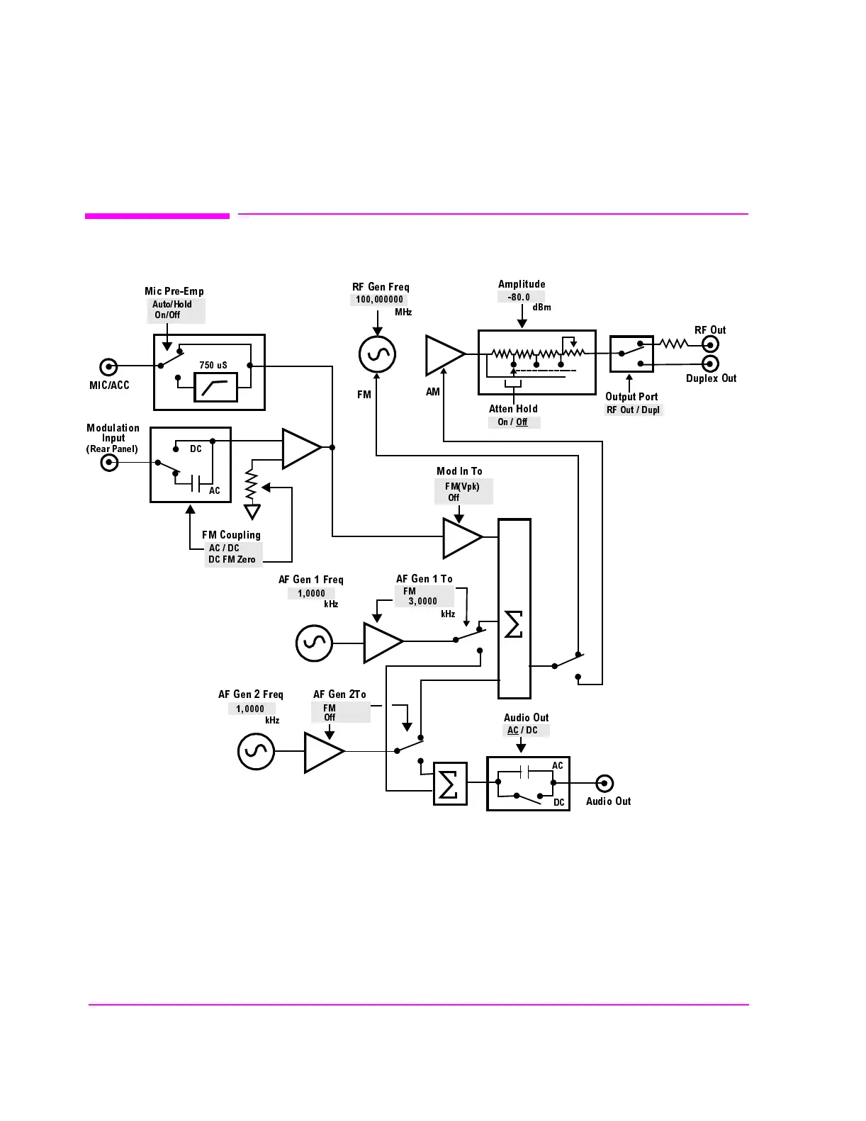
Block Diagram
Block Diagram
Figure 122 RF GENERATOR Functional Block Diagram
$WWHQ+ROG
$0
)0
5)*HQ)UHT
0+]


G%P
2Q2II
5)2XW'XSO
2XWSXW3RUW
5)2XW
'XSOH[2XW
$&'&
'&)0=HUR
N+]

N+]

)0
)09SN
2II
$)*HQ)UHT
$)*HQ7R
$)*HQ)UHT $)*HQ7R
N+]

)0
2II
)0&RXSOLQJ
0,&$&&
0RGXODWLRQ
,QSXW
5HDU3DQHO
0LF3UH(PS
X6
'&
$&
$XWR+ROG
2Q2II
$PSOLWXGH
0RG,Q7R
$XGLR2XW
$&'&
$XGLR2XW
$&
'&

Table of Contents

Other manuals for HP 8920A

Related product manuals