EasyManua.ls Logo

Philips iU22 - Page 220

Philips iU22
342 pages
Print Icon
To Next Page IconTo Next Page
To Next Page IconTo Next Page
To Previous Page IconTo Previous Page
To Previous Page IconTo Previous Page
Loading...
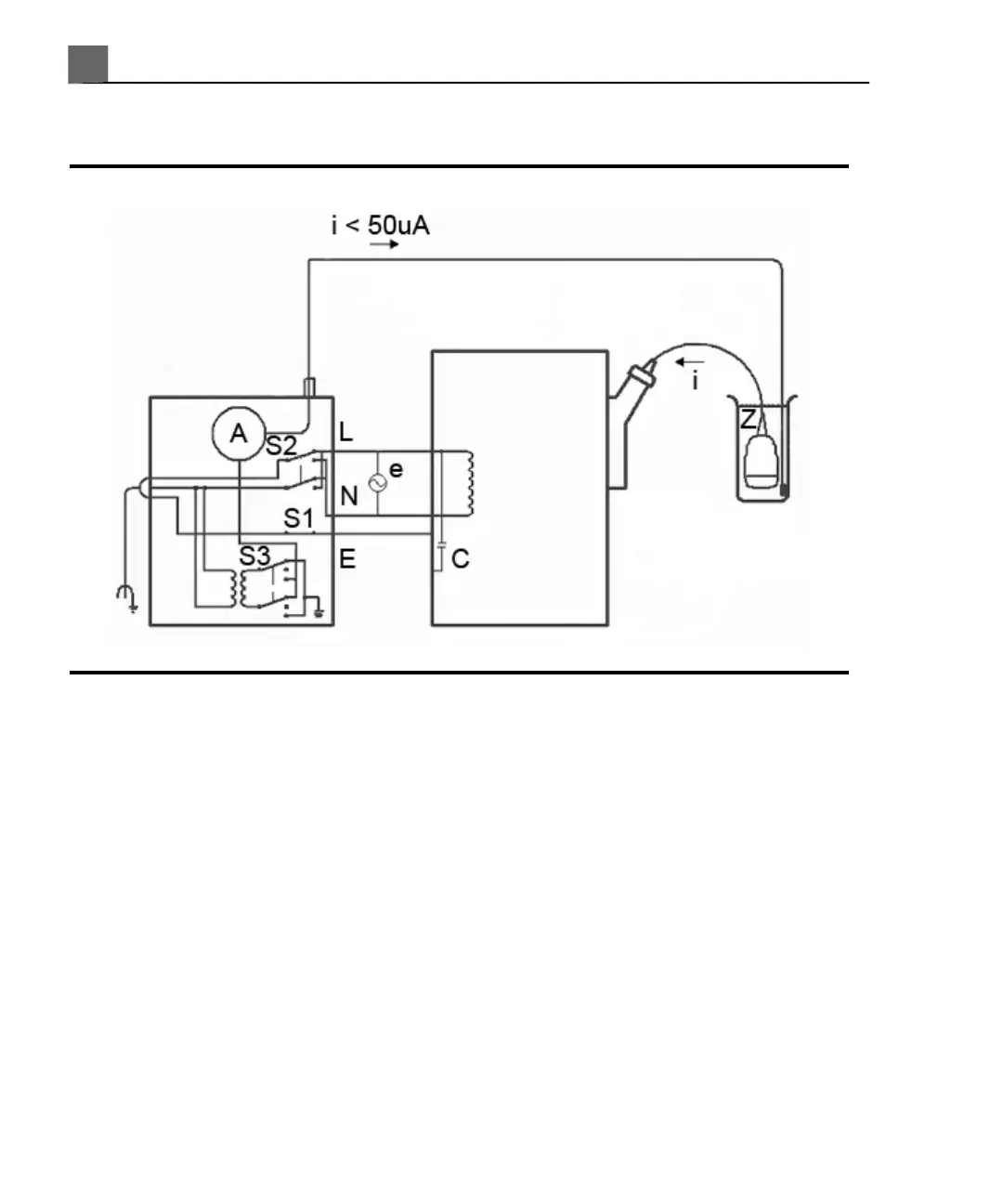
Test 2: Leakage Current Test with Mains Voltage Applied (Sink) for
Intraoperative Transducers
iU22 User Manual
220
4535 614 45861
Intraoperative Transducers
9

Table of Contents

Other manuals for Philips iU22

Related product manuals