EasyManua.ls Logo

Rohde & Schwarz RTB2004 - Page 520

Rohde & Schwarz RTB2004
547 pages
To Next Page IconTo Next Page
To Next Page IconTo Next Page
To Previous Page IconTo Previous Page
To Previous Page IconTo Previous Page
Loading...
Status-Reporting-System
R&S
®
RTB2000
520Bedienhandbuch 1333.1611.03 ─ 05
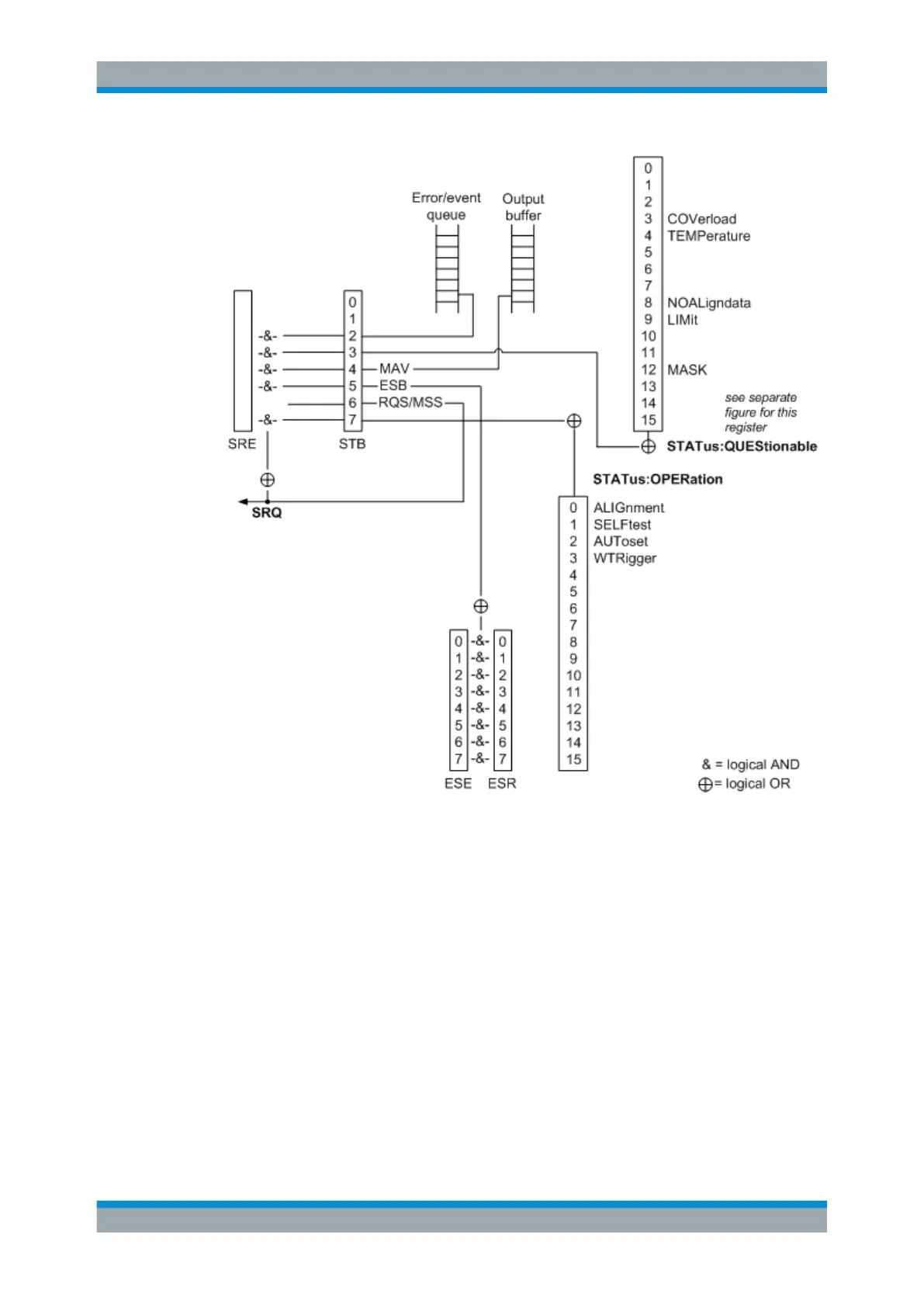
Bild C-2: Übersicht über die Statusregisterhierarchie
STB, SRE
Das STatus-Byte-Register (STB) und das zugehörige Maskenregister Service-
Request-Enable (SRE) bilden die höchste Ebene des Status-Reporting-Systems.
Das STB gibt einen groben Überblick über den Gerätestatus, indem es die Informa-
tionen der untergeordneten Register sammelt.
ESR, SCPI-Register
Das STB erhält seine Informationen von folgenden Registern:
Event-Status-Register (ESR) mit dem zugehörigen Maskenregister Event-Sta-
tus-Enable (ESE).
STATus:OPERation und STATus:QUEStionable; durch SCPI definierte
Register mit detaillierten Informationen über das Gerät.
Ausgabepuffer
Hierarchie der Statusregister

Table of Contents

Related product manuals