EasyManua.ls Logo

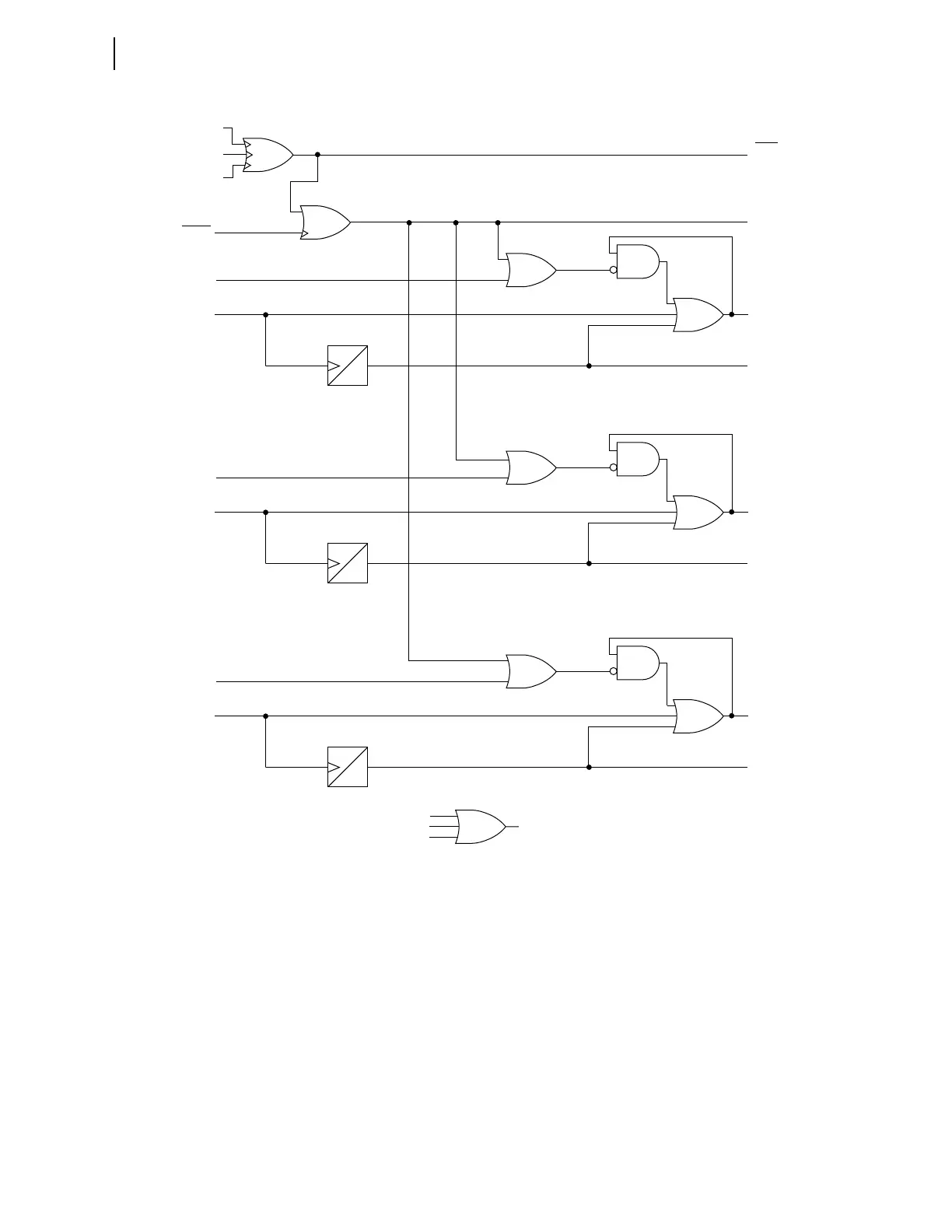
Sel SEL-787 - Figure 4.50 Trip Logic

Sel SEL-787
612 pages
Print Icon
To Next Page IconTo Next Page
To Next Page IconTo Next Page
To Previous Page IconTo Previous Page
To Previous Page IconTo Previous Page
Loading...
4.68
SEL-787 Relay Instruction Manual Date Code 20150130
Protection and Logic Functions
Trip/Close Logic
Figure 4.50 Trip Logic
The relay controls the tripping output contact(s) when the Relay Word bit
TRIPm appears in an output contact SEL
OGIC control equation. Default relay
settings have output OUT103 set to TRIPXFMR (see Table 4.34). Assign Relay
Word bits TRIP1 and TRIP2 to other available outputs as required by your
application. See Figure 2.24 for typical trip circuit connection.
Set the TRm SEL
OGIC control equations to include an OR-combination of all
the Relay Word bits that you want to cause the associated trip bits to assert.
The factory-default setting already includes all commonly required Relay
Word bits.
0
TDURD
Serial Port
Command TAR R
TARGET RESET
Pushbutton
TRGTR
Reset
TRIP LED
RWB
TRIP1
Trigger
Events
Unlatch Trip
Comm.
Target Reset
RSTTRGT
ULTRIP1
TR1
Relay
Word
Bits
SELOGIC
Settings
0
TDURD
RWB
TRIP2
Trigger
Events
Unlatch Trip
ULTRIP2
TR2
0
TDURD
RWB
TRIPXFMR
Trigger
Events
Unlatch Trip
ULTRXFMR
TRXFMR
TRIP1
TRIP2
TRIPXFMR
RWB
TRIP

Table of Contents

Related product manuals