EasyManua.ls Logo

Sel SEL-787 - Figure 2.20 SEL-787 Provides Basic Two-Winding Transformer Differential Protection

Sel SEL-787
612 pages
Print Icon
To Next Page IconTo Next Page
To Next Page IconTo Next Page
To Previous Page IconTo Previous Page
To Previous Page IconTo Previous Page
Loading...
2.26
SEL-787 Relay Instruction Manual Date Code 20150130
Installation
AC/DC Control Connection Diagrams
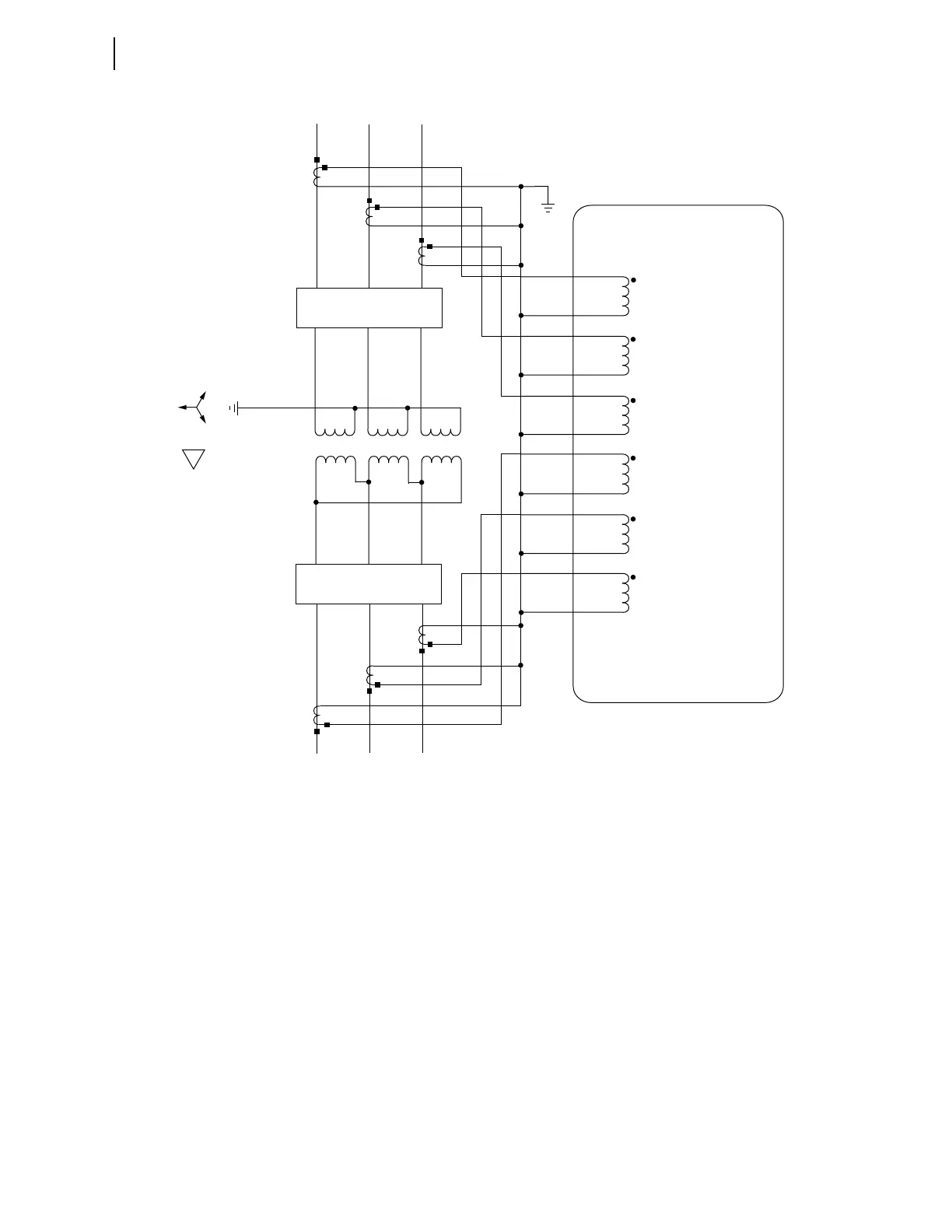
The basic application of the SEL-787 relay is for a two-winding transformer. The SEL-787 base product offering provides
six current channels that are used to monitor the two transformer windings. Relay contact inputs can be used to monitor
high- and low-side breaker status. Relay contact outputs can be used to trip or close high and low side transformer
breakers.
Refer to Figure 2.24, which illustrates tripping control of the two-power circuit breakers.
Figure 2.20 SEL-787 Provides Basic Two-Winding Transformer Differential Protection
IAW1
IBW1
ICW1
IAW2
IBW2
ICW2
SEL-787 Relay
52-1
52-2
A B C
a b c
200/5 A
138 kV
30 MVA
13.8 kV
2000/5 A
A
B
C
a
b
c
Note: The CT secondary circuit must be grounded in the relay cabinet.

Table of Contents

Related product manuals