EasyManua.ls Logo

Sel SEL-787 - Figure 2.21 SEL-787 Provides Two-Winding Transformer Differential Protection with REF (Restricted Earth Fault) Protection

Sel SEL-787
612 pages
Print Icon
To Next Page IconTo Next Page
To Next Page IconTo Next Page
To Previous Page IconTo Previous Page
To Previous Page IconTo Previous Page
Loading...
2.27
Date Code 20150130 Instruction Manual SEL-787 Relay
Installation
AC/DC Control Connection Diagrams
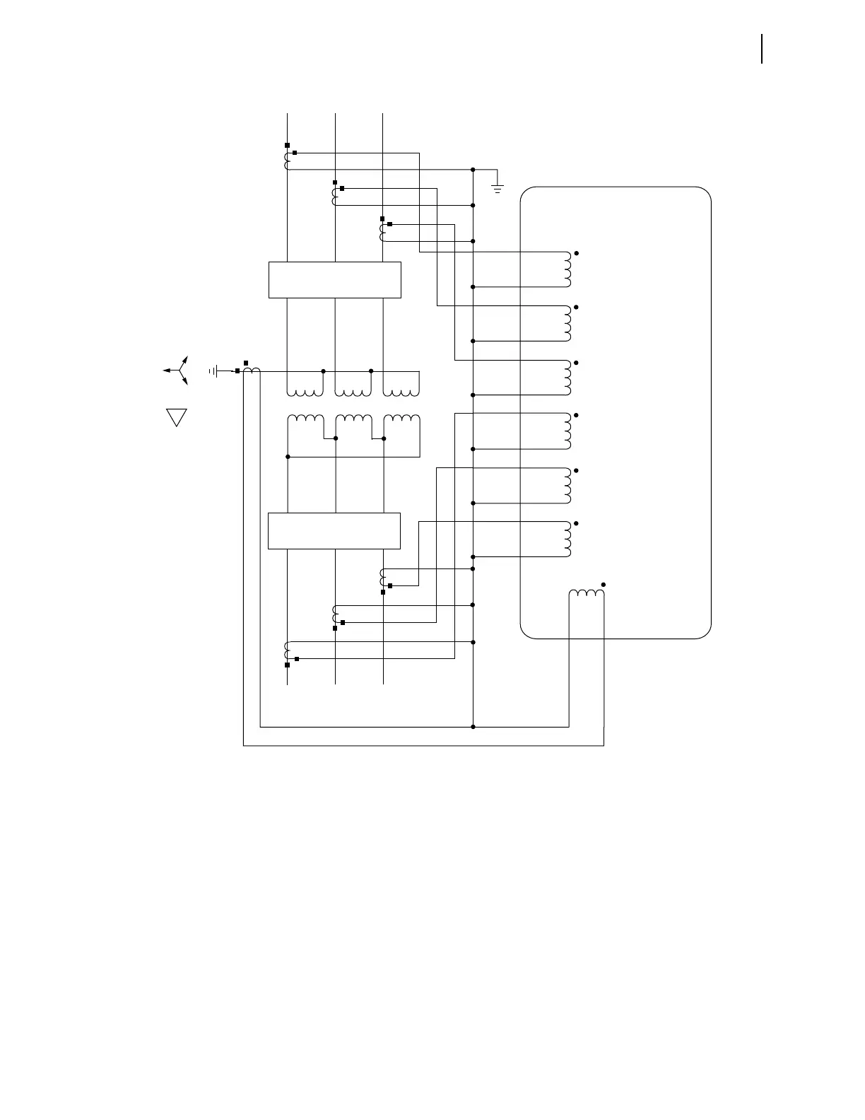
By adding the 1 ACI current card option to Slot E of the relay, the relay can be used to provide neutral overcurrent and
restricted earth fault protection (REF) of grounded wye transformer winding.
Refer to Figure 2.24, which illustrates tripping control of the two-power circuit breakers.
Figure 2.21 SEL-787 Provides Two-Winding Transformer Differential Protection With REF (Restricted Earth
Faul t) Protec tio n
IAW1
IBW1
ICW1
IAW2
IBW2
ICW2
SEL-787 Relay
52-1
52-2
A B C
a b c
IN
200/5 A
138 kV
30 MVA
13.8 kV
2000/5 A
A
B
C
a
b
c
Note: The CT secondary circuit must be grounded in the relay cabinet.

Table of Contents

Related product manuals