EasyManua.ls Logo

Tormach 1100M - Lubrication;Oil System Diagram

Tormach 1100M
305 pages
Print Icon
To Next Page IconTo Next Page
To Next Page IconTo Next Page
To Previous Page IconTo Previous Page
To Previous Page IconTo Previous Page
Loading...
13: DIAGRAMS AND PARTS LISTS
©Tormach® 2023
Specifications subject to change without notice.
Page 287 Tormach 1100 Operator's Manual (Version 1223A)
For the most recent version, see tormach.com/support
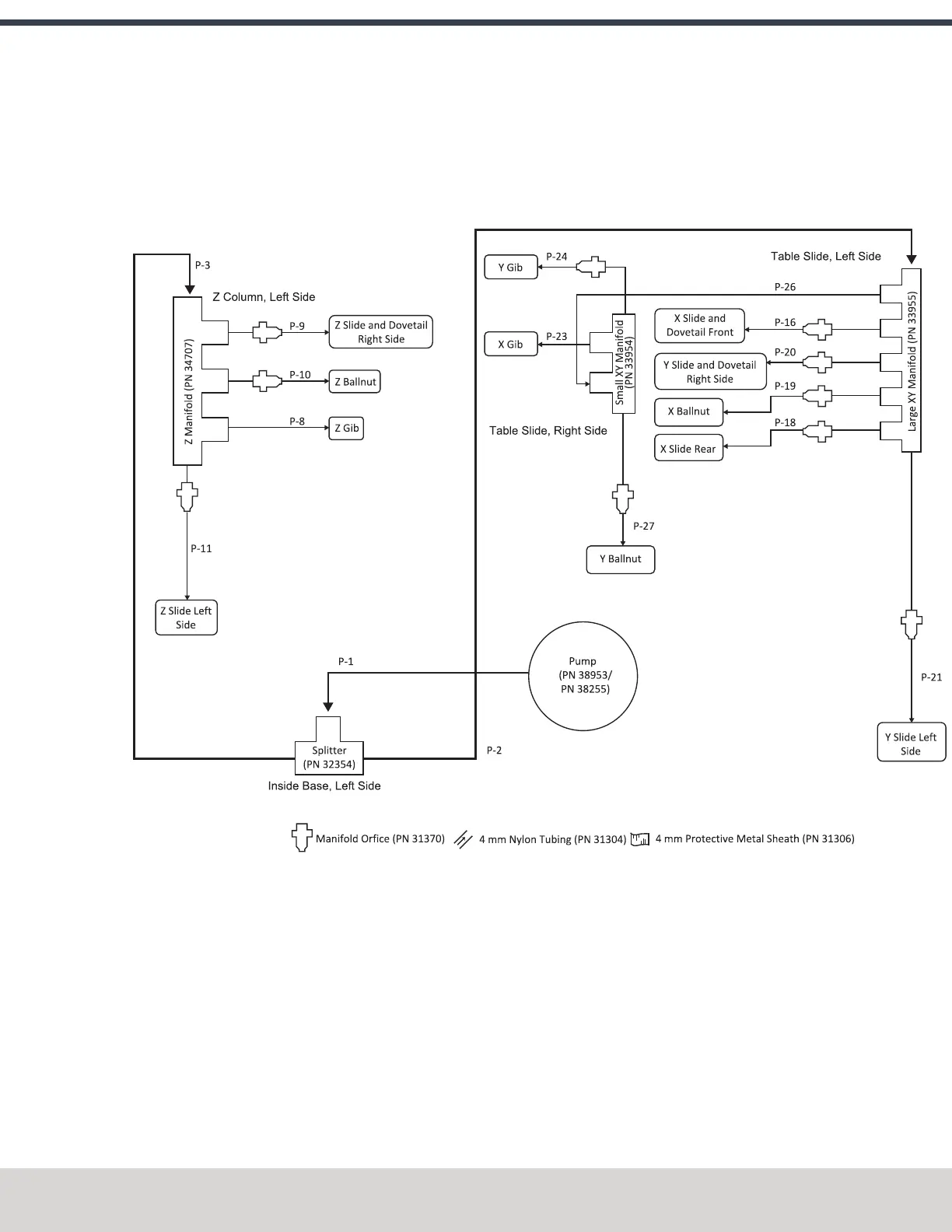
13.23 LUBRICATION/OIL SYSTEM DIAGRAM

Table of Contents

Other manuals for Tormach 1100M

Related product manuals