EasyManua.ls Logo

Yamaha F115A - Page 562

Yamaha F115A
709 pages
Print Icon
To Next Page IconTo Next Page
To Next Page IconTo Next Page
To Previous Page IconTo Previous Page
To Previous Page IconTo Previous Page
Loading...
7-42
BRKT
E
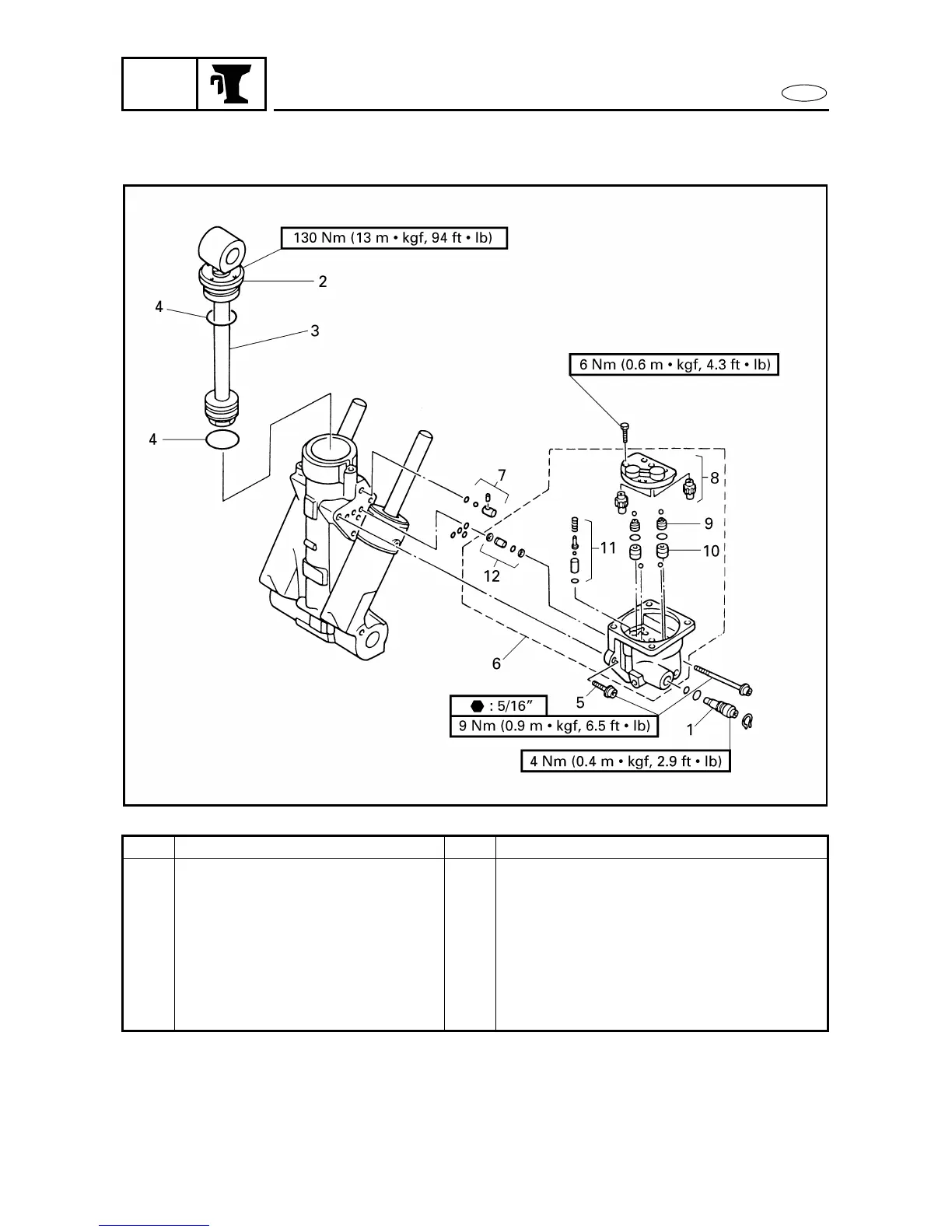
TILT RAM ASSEMBLY AND GEAR PUMP UNIT
7
Order Job/Part Q’ty Remarks
7 Check valve assembly 1
8 Gear pump 1
9 Shuttle valve 2
10 Check valve 2
11 Up-relief valve assembly 1
12 Down-relief valve assembly 1
For installation, reverse the removal
procedure.
7290

Table of Contents

Other manuals for Yamaha F115A

Related product manuals