EasyManua.ls Logo

Control Techniques Commander SK - Menu 7 Logic Diagram

Control Techniques Commander SK
168 pages
Print Icon
To Next Page IconTo Next Page
To Next Page IconTo Next Page
To Previous Page IconTo Previous Page
To Previous Page IconTo Previous Page
Loading...
Introduction Parameter x.00
Parameter
description format
Keypad and
display
CT Modbus
RTU
User
programming
CT Soft Menu 0
Advanced parameter
descriptions
Menu 7
Commander SK Advanced User Guide 81
Issue Number: 2 www.controltechniques.com
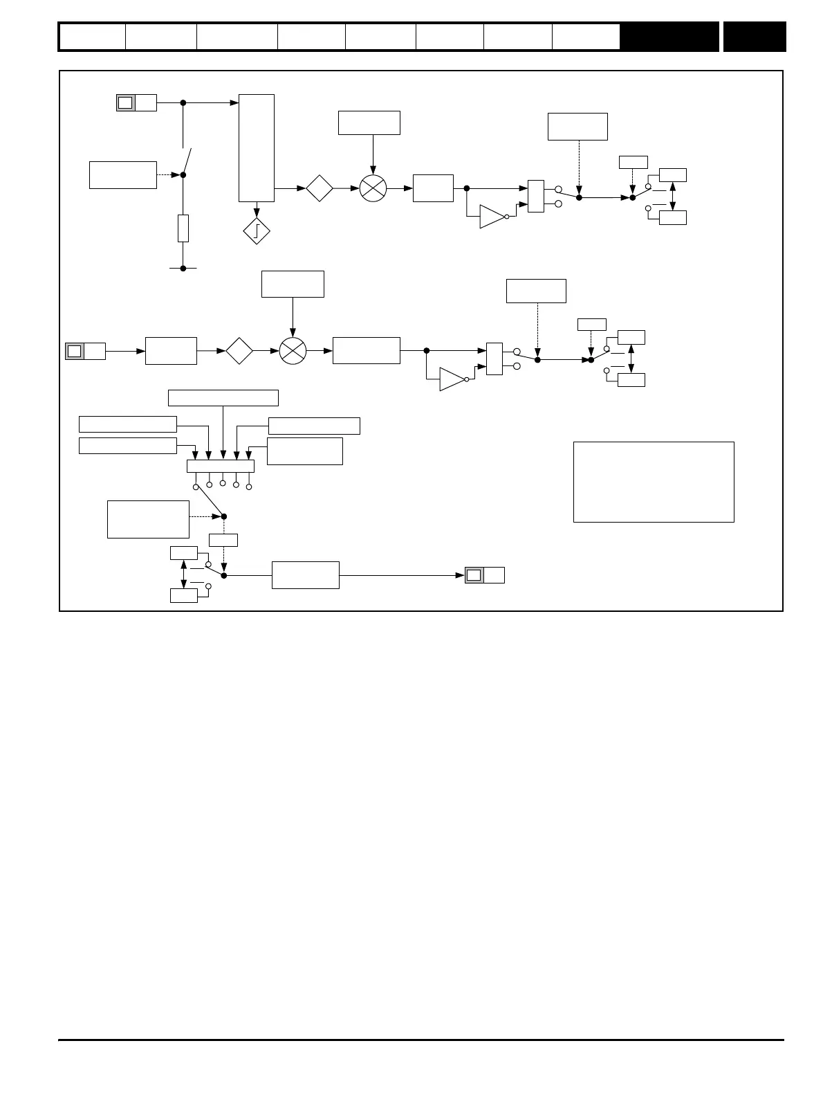
Figure 9-17 Menu 7 logic diagram
T4
Mode
7.11
Monitor
7.02
Offset
7.31
Scaling
7.12
Invert
7.13
Default source
2.01
Motor speed
B1
Scaling
7.20
0.01
21.51
7.19
Terminal B1
Source
Analogue output
control
7.33
0 1 2 3 4
User
programmable
0
1
x(-1)
Default destination
1.37
Analog reference 2
1.01
21.51
7.14
Terminal T4
Destination
Mode
7.06
Monitor
7.01
Offset
7.30
Scaling
7.08
x(-1)
Default destination
1.36
Analog reference 1
0
1
Invert
7.09
1.01
21.51
7.10
Terminal T2
Destination
Current
loop
loss
7.28
T2
Current mode
and protection
0V
200R
MENU 7
Analog inputs and Outputs
Motor speed 2.01
Motor load 4.02
Current magnitude 4.01
Output power 5.03
Other parameters
Heatsink temperature 7.04
IGBT Junction temperature 7.34
Thermal protection accumulator 7.35
%
%

Table of Contents

Other manuals for Control Techniques Commander SK

Related product manuals