EasyManua.ls Logo

Europlex 3GS - Page 96

Default Icon
386 pages
Print Icon
To Next Page IconTo Next Page
To Next Page IconTo Next Page
To Previous Page IconTo Previous Page
To Previous Page IconTo Previous Page
Loading...
Nodes 5-58
14 way boxed header used in conjunction with
the 3GS switched mode power supply.
13.6 V DC input used to power enhanced access
node when 3GS Switched Mode power supply is not
used.
Outputs The enhanced access node has eight relay
output switches, four of which are assigned to Door
locks (outputs 1 – 4) and four as user assignable out-
puts (outputs 5 – 8). All active devices connected to
these outputs must be supplied by an external power
source.
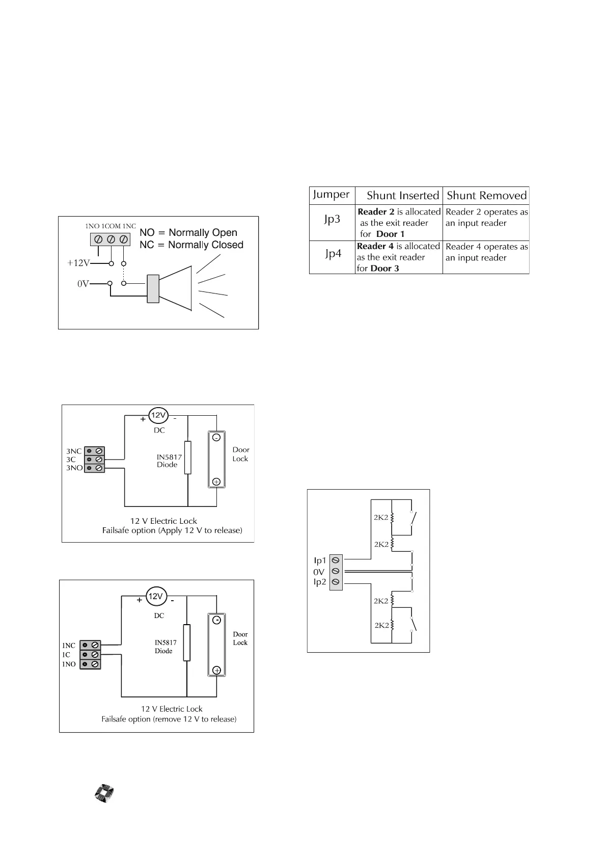
Door outputs are connected to the door lock devices in
two possible configurations (apply and remove 12v to
release) as shown below.
Front Tamper The Front Tamper (FT) switch is
configured as normally closed. This will trigger on an
open condition.
Readers The Enhanced access node contains 4
readers which may be configured as 4 separate door
entry readers, 2 entry and 2 exit readers or 3 entry
and 1 exit reader. The 2 configurable jumpers ( JP3
& JP4) allow the installer to configure the readers as
required.
Back Tamper The Back Tamper (BT) switch is con-
figured as normally closed. This will trigger on an
open condition.
Exit Switches The exit switches are configured as
normally closed. These will trigger on an open con-
dition.
Inputs The enhanced Access Node has six inputs in
total. Four of these inputs are configured as door
inputs with 2 additional on-board alarm inputs pro-
vided for auxiliary usage. All of these inputs use dual
End Of Line (EOL) supervision as shown below:
Resettable Fuses: The on-board resettable fuses (RSF1 &
RSF2) limit the total output reader current to 500 mA. If
the output current exceeds this value, the fuses will
trigger and the access node will be disabed. To reset the
node, simply remove the power momentarily and then
re-apply.
2K2: Inactive State
4K4: Active State

Table of Contents

Other manuals for Europlex 3GS

Related product manuals