EasyManua.ls Logo

Europlex 3GS - Self-Activating Bell

Default Icon
386 pages
Print Icon
To Next Page IconTo Next Page
To Next Page IconTo Next Page
To Previous Page IconTo Previous Page
To Previous Page IconTo Previous Page
Loading...
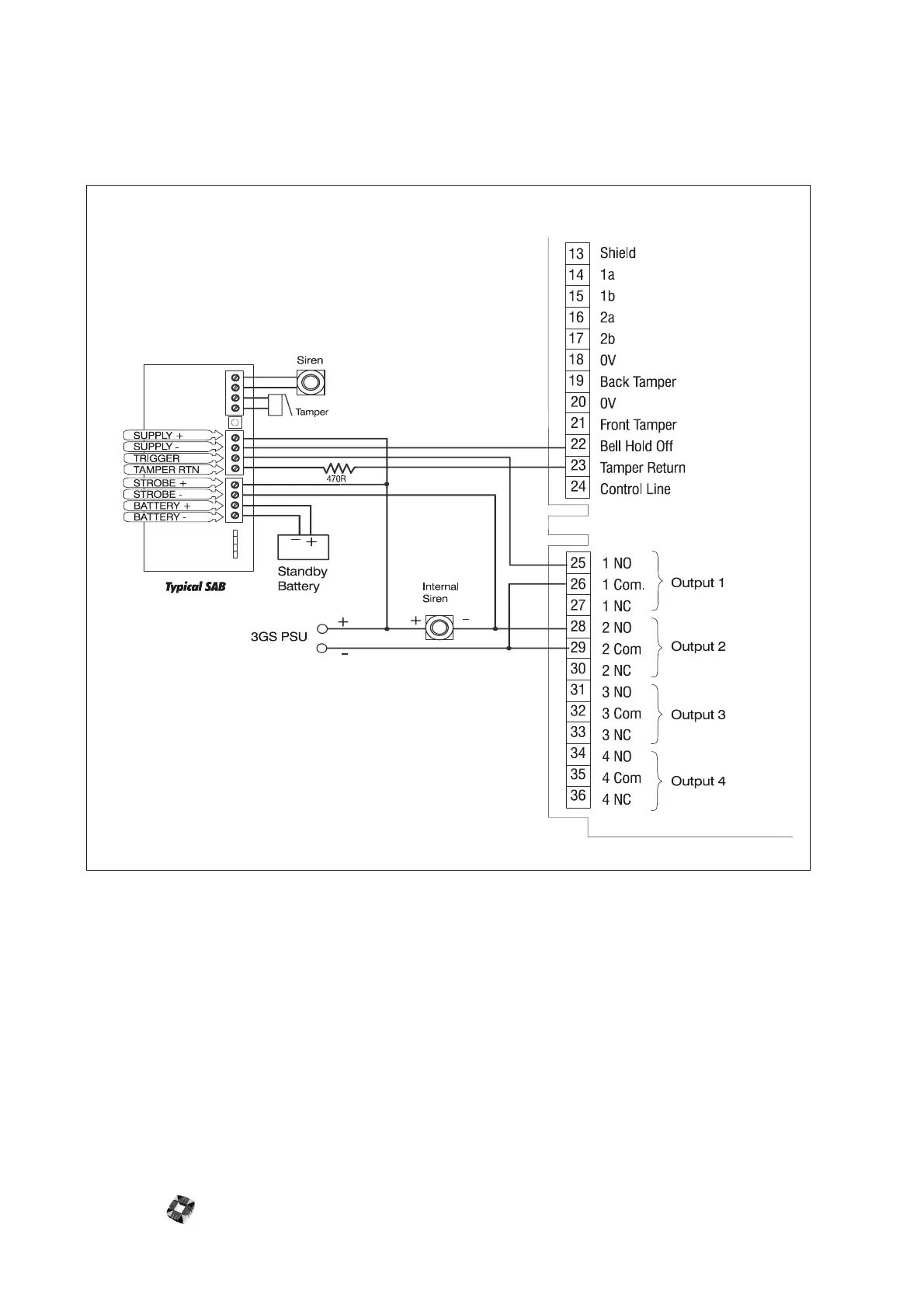
IntelliBell 14-8
SELF-ACTIVATING BELL
To connect a Self-Activating Bell (SAB) to the 3GS system, see the following diagram.

Table of Contents

Other manuals for Europlex 3GS

Related product manuals