EasyManua.ls Logo

Europlex 3GS - IntelliBell Programming

Default Icon
386 pages
Print Icon
To Next Page IconTo Next Page
To Next Page IconTo Next Page
To Previous Page IconTo Previous Page
To Previous Page IconTo Previous Page
Loading...
IntelliBell 14-6
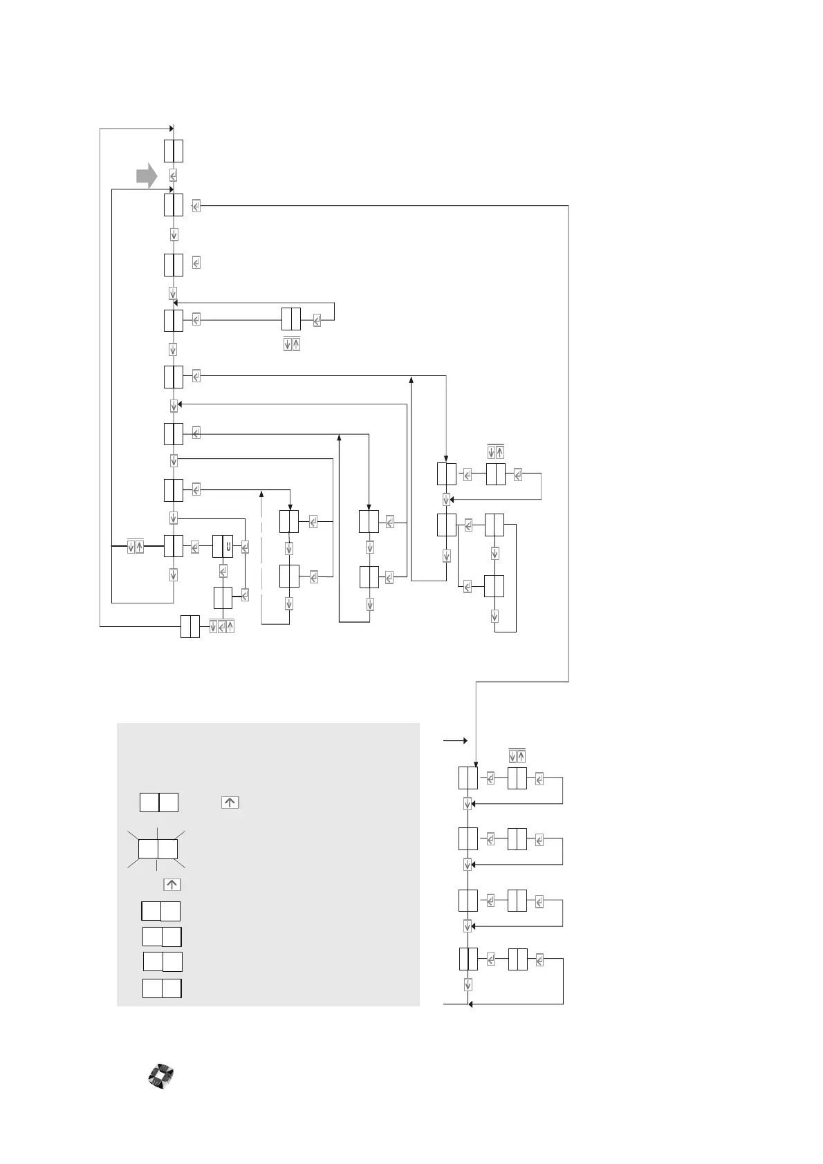
INTELLIBELL PROGRAMMING
to
decr ease
5
5
Y
3G
F
A
F
S
AP
00
A6
5
5
5
6A
1
P
Pr ogr ammi ng Menus
88
Po
START
Sure?
Absolutely?
Mi nut es
Display returns to idle mode
after 30 seconds of
programming key inacti vity.
to initialise programming
Idle mode
to
d ecr ease
to
i n cr ease
Follow
Al a rm
Follow
Sounder
Reset
System Type
Battery Test
Out puts
Strobe
Sounder
0
0
P
0
Mi nut es
Sounder
Per i o d
5
to
increase
E 5
Sounder
Sp eaker
Sounder
Enable
5
P
to
d ecr ease
o
2
2
Sounder
Output
5
to
increase
Strobe
Out put
5
E
00
Sel f Test
Out put
E
00
Pr o gr am
Enable
Output
P
3GS
Operat ion
Applex
Operat ion
07
r
t
o
t
t
o
5
0
Press
Press to clear and scroll through other events.
Log Messages
The IB log records system events and
may be viewed when programming
First event is then displayed (flashing)
= Data line control failure.
= Local tamper generated.
= Battery self-test failure.
= Drilling Detected.
= Power supply failure.
88
CF
tA
PS
bA
dr

Table of Contents

Other manuals for Europlex 3GS

Related product manuals