EasyManua.ls Logo

Europlex 3GS - Access Control System

Default Icon
386 pages
Print Icon
To Next Page IconTo Next Page
To Next Page IconTo Next Page
To Previous Page IconTo Previous Page
To Previous Page IconTo Previous Page
Loading...
Nodes 5-28
ACCESS CONTROL SYSTEM
Description
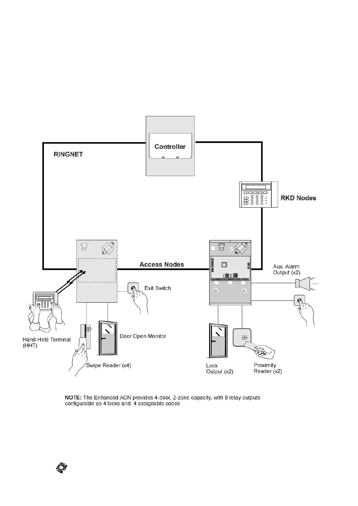
To integrate Access Control onto the 3GS, the Access Control node should be wired onto the ringnet as illustrated in
the following diagram. It can be configured to control two access doors (4 doors on the enhanced ACN). These doors
can be wired with readers on the entry side and either readers or exit switches on the exit side. The doors are
monitored for door forced and left open alarms as well as integration into the intruder system. Cards presented at the
reader may be configured to set/arm and unset/disarm the area/system – see Access System Overview in 3GS
Programming for further information.

Table of Contents

Other manuals for Europlex 3GS

Related product manuals