EasyManua.ls Logo

Faro Edge - Page 33

Faro Edge
236 pages
Print Icon
To Next Page IconTo Next Page
To Next Page IconTo Next Page
To Previous Page IconTo Previous Page
To Previous Page IconTo Previous Page
Loading...
FARO Edge
September 2012
19
Chapter 2: Setup
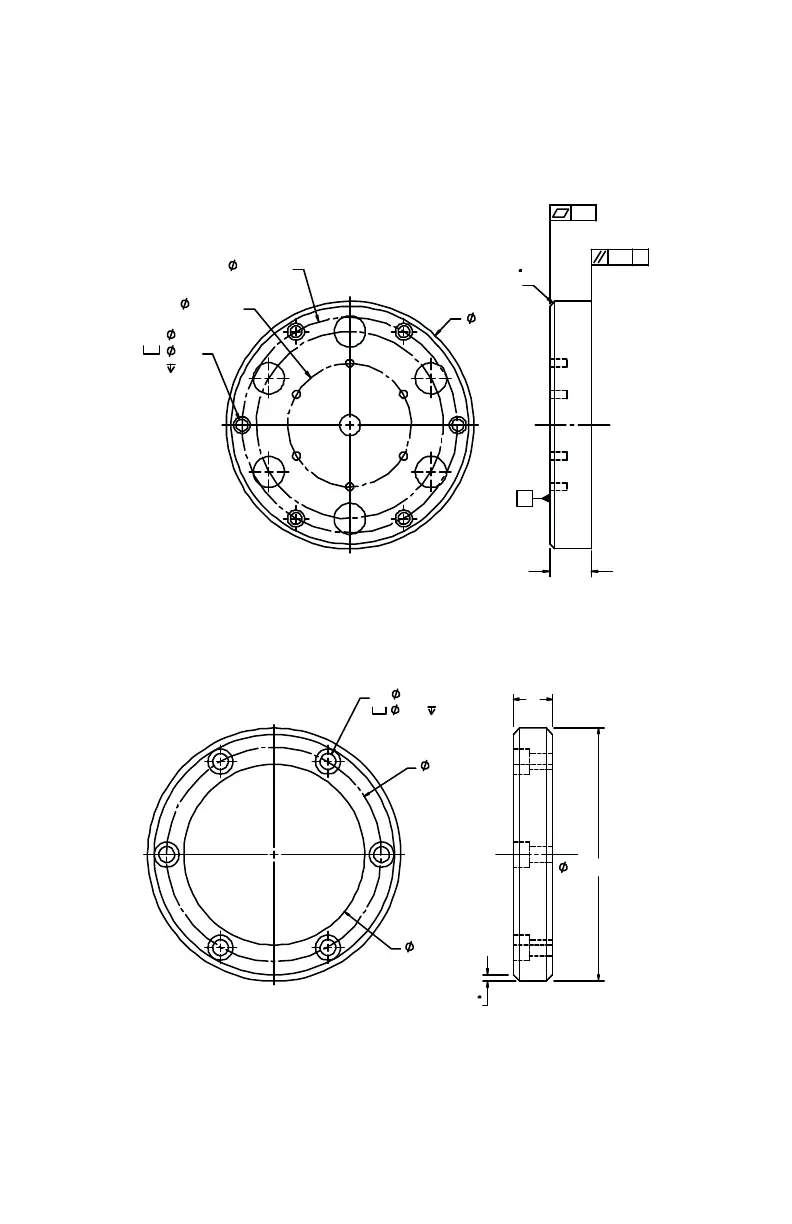
You can bolt the Surface Mount Plate directly to a surface using the mounting
screws in the Accessories Case. Make sure to tighten each mounting screw to
100-inch pounds.
You can bolt the 3½” mounting ring directly to a surface using the mounting
screws in the Probe Case. Make sure to tighten each mounting screw to 100-inch
pounds.
Figure 2-8 Surface Mount Plate dimensions
Figure 2-9 Standard 3½” Mounting Ring dimensions
5.950
BC2.970
.406
.38
BC5.187
6X .281
A
CHAMFER
.12 X 45
.001
.001
A
1.00
EQUALLY SPACED
WITHIN .005
3.500-8 UNC-2A
2X .09 X 45
CHAMFER
.54
2.50
2.970
.344
.22
6X .218
08M52E00_FaroArm_Edge.book Page 19 Thursday, October 4, 2012 9:31 AM

Table of Contents

Related product manuals