EasyManua.ls Logo

Hisense AHM-080HCDSAA - Page 192

Hisense AHM-080HCDSAA
489 pages
Print Icon
To Next Page IconTo Next Page
To Next Page IconTo Next Page
To Previous Page IconTo Previous Page
To Previous Page IconTo Previous Page
Loading...
171
Installation
󰀨

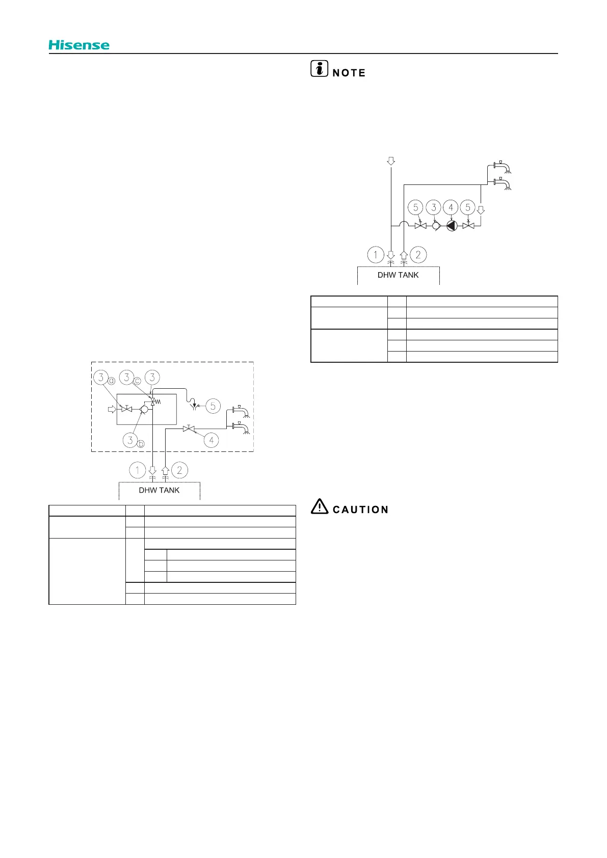
water circuit. The check valve acts as a safety device to
protect the installation.
A domestic hot water tank (17) has to be installed in
combination with the space heating / cooling.
3-way valves (9) must be connected at one point of
the water outlet pipe of the installation, used to divert

in example, connect straight through of 3-way valve to
DHW tank inner coil.
DHW thermistor (10) must be installed to reach the
inner wall of the DHW tank and keep in good contact
with it. Space heating thermistor (10) must be installed
on the metal tube close to space heating, and keep in
good contact with it.
Mixing valve (14) is recommended to use ESBE
ARA661, which operation mode is 3-point SPDT. If
mixing valve of other brands or models are used, the
operation mode must be 3-point SPDT, and power
supply must be 220-240V ~ 50Hz. The rotation time can
be set in the master controller.
Additionally, the following elements are required for the DHW
circuit:
Nature No. Part name
Piping connections
1 Supplementary water inlet of DHW tank
2 DHW tank outlet
Field supplied
3
Pressure and temperature relief valve
3a 󰀨
3b Water check valve
3c Safety valve
4 󰀨
5 Draining
Nature No. Part name
Piping connections
1 Supplementary water inlet of DHW tank
2 DHW tank outlet
Field supplied
3 Water check valve
4 Water pump
5 󰀨
󰀨
󰀨
tank outlet (2) in order to make easier any maintenance
work.
A Security water valve (Field-supplied):
This accessory (3) is a pressure and temperature relief
valve that must be installed as near as possible to the
Supplementary water inlet of DHW tank (1). It should
ensure a correct draining (5) for the discharge valve of
this valve. This security water valve should provide the
following:
- Pressure protection
- Non-return function
󰀨
- Filling
- Draining
The discharge pipe should always be open to the atmosphere, free
of frost and in continuous slope to the down side in case that water
leakage exists.
In case of a recirculation circuit for the DHW circuit, the following
elements are required:
A Recirculation water pump (eld supplied):
This
water pump (3) will help to correctly recirculate the hot
water to the DHW inlet.
A Water check valve (eld supplied):
This accessory (3) is connected after the recirculation
water pump (4) in order to ensure the nonreturn of
water.
Two Shut-o󰀨 valves (eld supplied) (5):
One before the recirculation water pump (4) and other
after the water check valve accessory (3).



Table of Contents

Other manuals for Hisense AHM-080HCDSAA

Related product manuals