EasyManua.ls Logo

Intel 8253 - Block Diagram

Intel 8253
773 pages
Print Icon
To Next Page IconTo Next Page
To Next Page IconTo Next Page
To Previous Page IconTo Previous Page
To Previous Page IconTo Previous Page
Loading...
Philips Semiconductors Product specification
80C31/80C32
80C51 8-bit microcontroller family
128/256 byte RAM ROMless low voltage (2.7V–5.5V),
low power, high speed (33 MHz)
2000 Aug 07
4
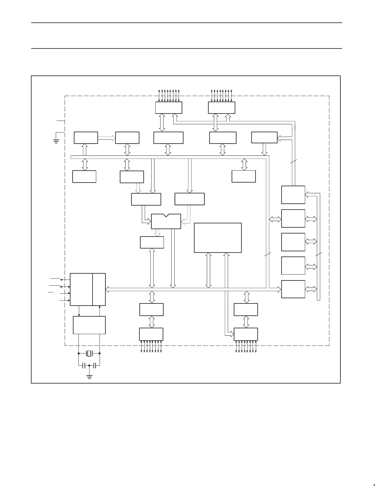
BLOCK DIAGRAM
SU00845
PSEN
EAV
PP
ALE/PROG
RST
XTAL1 XTAL2
V
CC
V
SS
PORT 0
DRIVERS
PORT 2
DRIVERS
RAM ADDR
REGISTER
RAM
PORT 0
LATCH
PORT 2
LATCH
ROM/EPROM
REGISTER
B
ACC
STACK
POINTER
TMP2
TMP1
ALU
TIMING
AND
CONTROL
INSTRUCTION
REGISTER
PD
OSCILLATOR
PSW
PORT 1
LATCH
PORT 3
LATCH
PORT 1
DRIVERS
PORT 3
DRIVERS
PROGRAM
ADDRESS
REGISTER
BUFFER
PC
INCRE-
MENTER
PROGRAM
COUNTER
DPTR’S
MULTIPLE
P1.0–P1.7
P3.0–P3.7
P0.0–P0.7 P2.0–P2.7
SFRs
TIMERS
8
8 16

Table of Contents