EasyManua.ls Logo

Intel 8253 - Frequency

Intel 8253
773 pages
Print Icon
To Next Page IconTo Next Page
To Next Page IconTo Next Page
To Previous Page IconTo Previous Page
To Previous Page IconTo Previous Page
Loading...
October 1994 Order Number: 231244-006
82C54
CHMOS PROGRAMMABLE INTERVAL TIMER
Y
Compatible with all Intel and most
other microprocessors
Y
High Speed, ‘‘Zero Wait State’’
Operation with 8 MHz 8086/88 and
80186/188
Y
Handles Inputs from DC
Ð 10 MHz for 82C54-2
Y
Available in EXPRESS
Ð Standard Temperature Range
Ð Extended Temperature Range
Y
Three independent 16-bit counters
Y
Low Power CHMOS
ÐI
CC
e
10 mA
@
8 MHz Count
frequency
Y
Completely TTL Compatible
Y
Six Programmable Counter Modes
Y
Binary or BCD counting
Y
Status Read Back Command
Y
Available in 24-Pin DIP and 28-Pin PLCC
The Intel 82C54 is a high-performance, CHMOS version of the industry standard 8254 counter/timer which is
designed to solve the timing control problems common in microcomputer system design. It provides three
independent 16-bit counters, each capable of handling clock inputs up to 10 MHz. All modes are software
programmable. The 82C54 is pin compatible with the HMOS 8254, and is a superset of the 8253.
Six programmable timer modes allow the 82C54 to be used as an event counter, elapsed time indicator,
programmable one-shot, and in many other applications.
The 82C54 is fabricated on Intel’s advanced CHMOS III technology which provides low power consumption
with performance equal to or greater than the equivalent HMOS product. The 82C54 is available in 24-pin DIP
and 28-pin plastic leaded chip carrier (PLCC) packages.
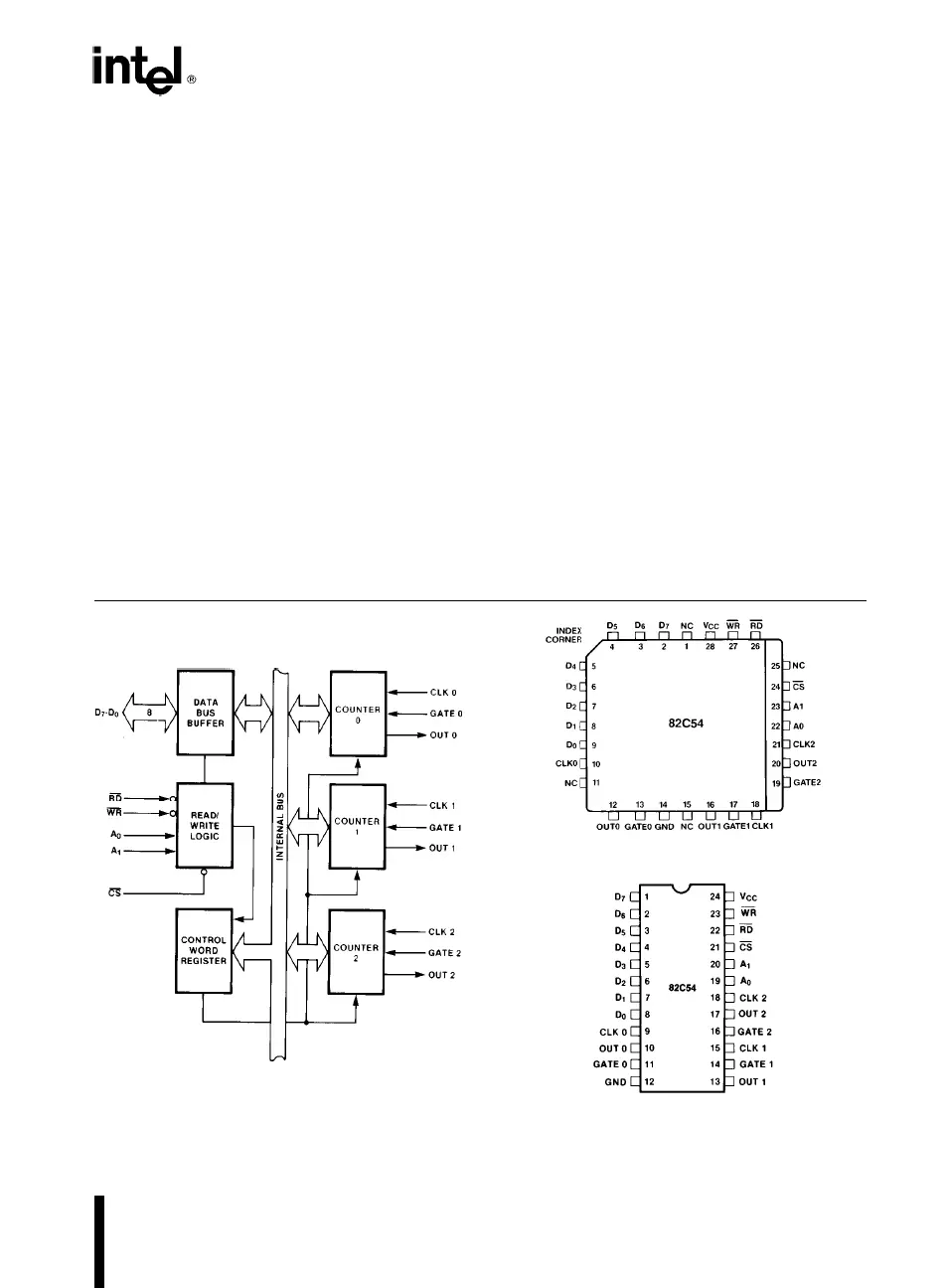
2312441
Figure 1. 82C54 Block Diagram
2312443
PLASTIC LEADED CHIP CARRIER
2312442
Diagrams are for pin reference only.
Package sizes are not to scale.
Figure 2. 82C54 Pinout

Table of Contents