EasyManua.ls Logo

Intel 8253 - Block Diagram

Intel 8253
773 pages
Print Icon
To Next Page IconTo Next Page
To Next Page IconTo Next Page
To Previous Page IconTo Previous Page
To Previous Page IconTo Previous Page
Loading...
82C54
Block Diagram
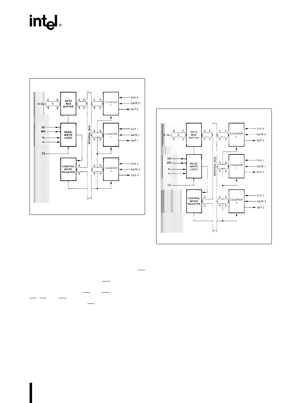
DATA BUS BUFFER
This 3-state, bi-directional, 8-bit buffer is used to in-
terface the 82C54 to the system bus (see Figure 3).
2312444
Figure 3. Block Diagram Showing Data Bus
Buffer and Read/Write Logic Functions
READ/WRITE LOGIC
The Read/Write Logic accepts inputs from the sys-
tem bus and generates control signals for the other
functional blocks of the 82C54. A
1
and A
0
select
one of the three counters or the Control Word Regis-
ter to be read from/written into. A ‘‘low’’ on the RD
input tells the 82C54 that the CPU is reading one of
the counters. A ‘‘low’’ on the WR
input tells the
82C54 that the CPU is writing either a Control Word
or an initial count. Both RD
and WR are qualified by
CS
;RDand WR are ignored unless the 82C54 has
been selected by holding CS
low.
The WR
Ý
and CLK signals should be synchronous.
This is accomplished by using a CLK input signal to
the 82C54 counters which is a derivative of the sys-
tem clock source. Another technique is to externally
synchronize the WR
Ý
and CLK input signals. This is
done by gating WR
Ý
with CLK.
CONTROL WORD REGISTER
The Control Word Register (see Figure 4) is selected
by the Read/Write Logic when A
1
,A
0
e
11. If the
CPU then does a write operation to the 82C54, the
data is stored in the Control Word Register and is
interpreted as a Control Word used to define the
operation of the Counters.
The Control Word Register can only be written to;
status information is available with the Read-Back
Command.
2312445
Figure 4. Block Diagram Showing Control Word
Register and Counter Functions
COUNTER 0, COUNTER 1, COUNTER 2
These three functional blocks are identical in opera-
tion, so only a single Counter will be described. The
internal block diagram of a single counter is shown
in Figure 5.
The Counters are fully independent. Each Counter
may operate in a different Mode.
The Control Word Register is shown in the figure; it
is not part of the Counter itself, but its contents de-
termine how the Counter operates.
3

Table of Contents