EasyManua.ls Logo

Intel 8253 - Page 259

Intel 8253
773 pages
Print Icon
To Next Page IconTo Next Page
To Next Page IconTo Next Page
To Previous Page IconTo Previous Page
To Previous Page IconTo Previous Page
Loading...
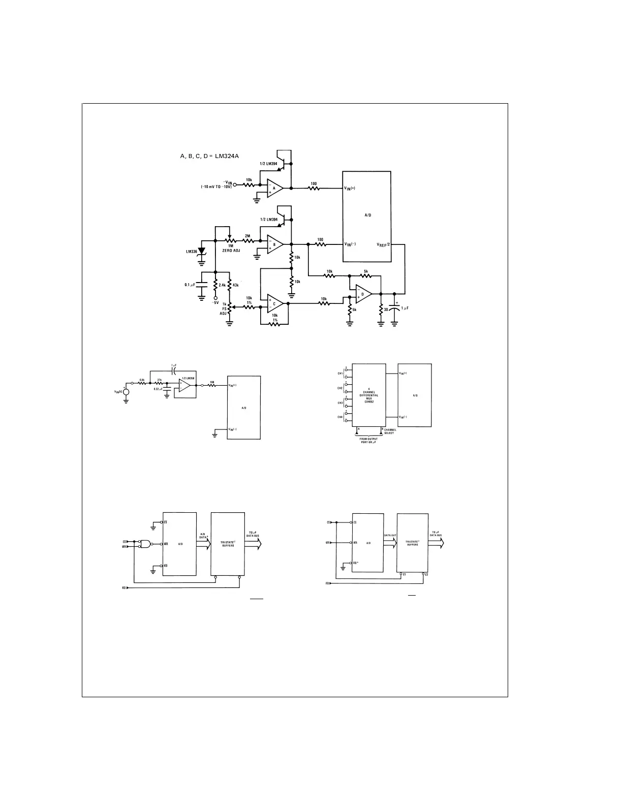
Typical Applications (Continued)
3-Decade Logarithmic A/D Converter
DS005671-73
Noise Filtering the Analog Input
DS005671-74
f
C
=
20 Hz
Uses Chebyshev implementation for steeper roll-off unity-gain, 2nd order,
low-pass filter
Adding a separate filter for each channel increases system response time
if an analog multiplexer is used
Multiplexing Differential Inputs
DS005671-75
Output Buffers with A/D Data Enabled
DS005671-76
*A/D output data is updated 1 CLK period prior to assertion of INTR
Increasing Bus Drive and/or Reducing Time on Bus
DS005671-77
*Allows output data to set-up at falling edge of CS
ADC0801/ADC0802/ADC0803/ADC0804/ADC0805
www.national.com15

Table of Contents