EasyManua.ls Logo

Intel 8253 - Page 274

Intel 8253
773 pages
Print Icon
To Next Page IconTo Next Page
To Next Page IconTo Next Page
To Previous Page IconTo Previous Page
To Previous Page IconTo Previous Page
Loading...
Functional Description (Continued)
Note 22: In order for the microprocessor to service subroutines and interrupts, the stack pointer must be dimensioned in the user’s program.
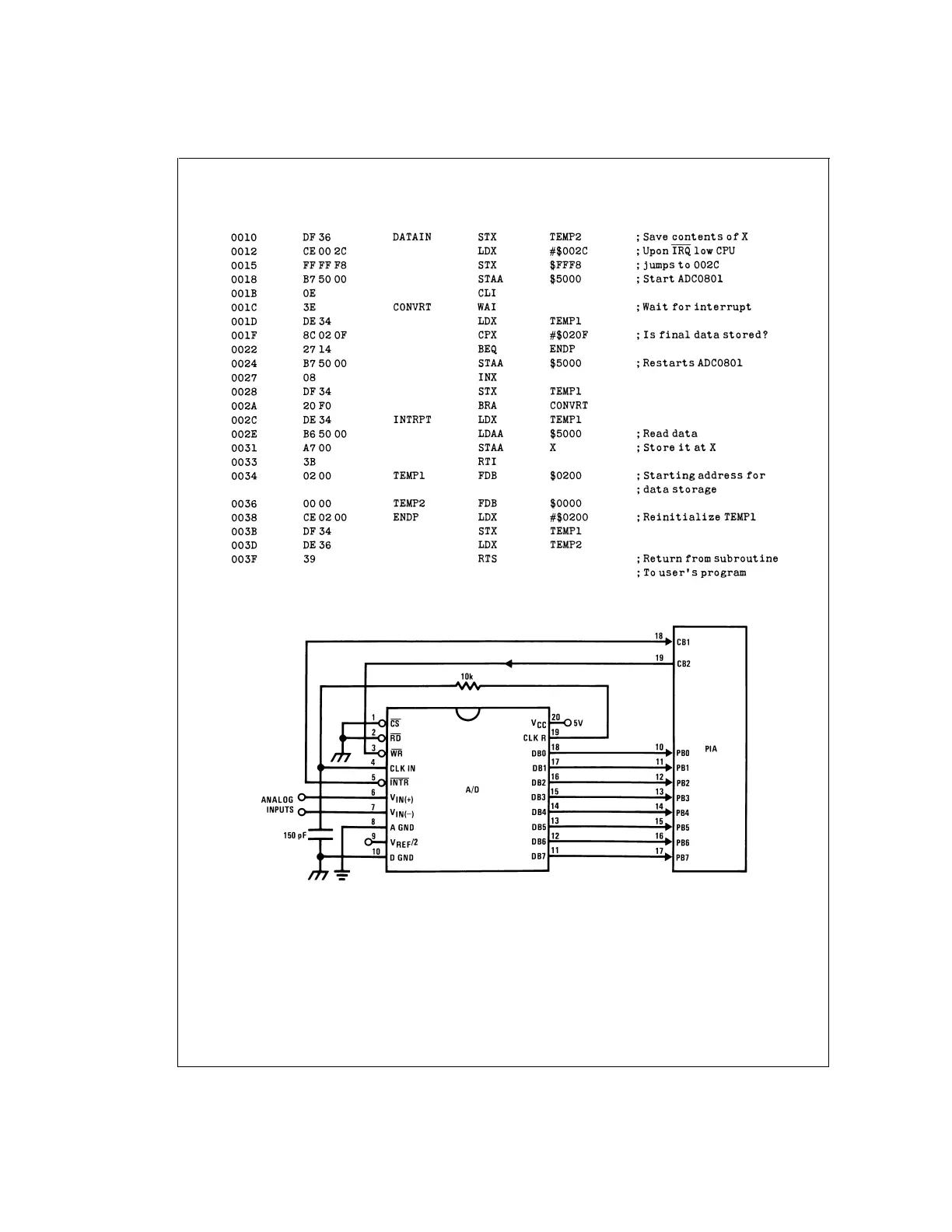
SAMPLE PROGRAM FOR
Figure 15
ADC0801-MC6800 CPU INTERFACE
DS005671-A1
DS005671-25
FIGURE 16. ADC0801MC6820 PIA Interface
ADC0801/ADC0802/ADC0803/ADC0804/ADC0805
www.national.com 30

Table of Contents