EasyManua.ls Logo

Intel 8253 - Page 278

Intel 8253
773 pages
Print Icon
To Next Page IconTo Next Page
To Next Page IconTo Next Page
To Previous Page IconTo Previous Page
To Previous Page IconTo Previous Page
Loading...
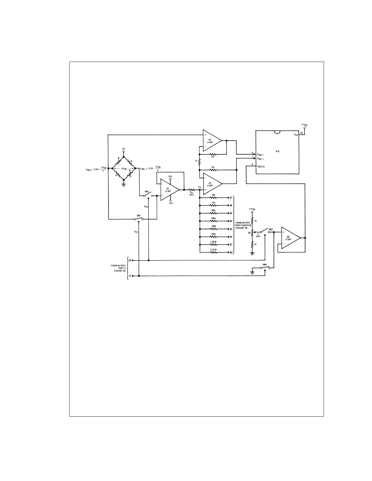
Functional Description (Continued)
any output of Port B will source current into node V
X
thus
raising the voltage at V
X
and making the output differential
more negative. Conversely, a logic “0” (0V) will pull current
out of node V
X
and decrease the voltage, causing the differ-
ential output to become more positive. For the resistor val-
ues shown, V
X
can move
±
12 mV with a resolution of 50 µV,
which will null the offset error term to
1
4
LSB of full-scale for
the ADC0801. It is important that the voltage levels that drive
the auto-zero resistors be constant. Also, for symmetry, a
logic swing of 0V to 5V is convenient. To achieve this, a
CMOS buffer is used for the logic output signals of Port B
and this CMOS package is powered with a stable 5V source.
Buffer amplifier A1 is necessary so that it can source or sink
the D/A output current.
DS005671-91
Note 26: R2
=
49.5 R1
Note 27: Switches are LMC13334 CMOS analog switches.
Note 28: The 9 resistors used in the auto-zero section can be
±
5
%
tolerance.
FIGURE 18. Gain of 100 Differential Transducer Preamp
ADC0801/ADC0802/ADC0803/ADC0804/ADC0805
www.national.com 34

Table of Contents