EasyManua.ls Logo

Intel Pentium 4 - Figure 101. CDC_DN_ENAB# Support Circuitry for Multi-Channel Audio Upgrade; Figure 102. CDC_DN_ENAB# Support Circuitry for Two-Codecs on Motherboard; One-Codec on CNR

Intel Pentium 4
371 pages
Print Icon
To Next Page IconTo Next Page
To Next Page IconTo Next Page
To Previous Page IconTo Previous Page
To Previous Page IconTo Previous Page
Loading...
I/O Controller Hub 2
R
146 Intel
®
Pentium
®
4 Processor / Intel
®
850 Chipset Family Platform Design Guide
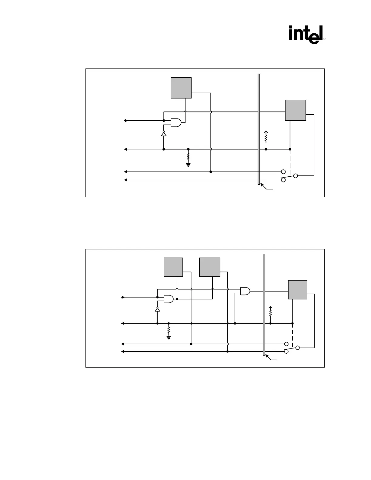
Figure 101. CDC_DN_ENAB# Support Circuitry for Multi-Channel Audio Upgrade
Primary
Audio
Codec
RESET#
SDATA_IN
Audio
Codec
RESET#
ID0#
SDATA_IN
AC97_RESET#
CDC_DN_ENAB#
CNR BoardMotherboard
R
A
10kohms
To General
Purpose Input
From AC '97
Controller
CNR Connector
SDATA_IN0
SDATA_IN1
To AC '97
Digital
Controller
Vcc
R
B
100kohms
Figure 102 shows the circuitry required on the motherboard to support a two-codec down
configuration. This circuitry disables the codec on a single codec CNR. Notice that in this
configuration the resistor, R
B
, has been changed to 100 k.
Figure 102. CDC_DN_ENAB# Support Circuitry for Two-Codecs on Motherboard / One-Codec
on CNR
Primary
Audio
Codec
RESET#
SDATA_IN
Audio
Codec
RESET#
ID0#
SDATA_IN
AC97_RESET#
CDC_DN_ENAB#
CNR BoardMotherboard
R
A
10kohms
To General
Purpose Input
From AC '97
Controller
CNR Connector
SDATA_IN0
SDATA_IN1
To AC '97
Digital
Controller
Secondary
Codec
RESET#
SDATA_IN
Vcc
R
B
100kohms
Figure 103 shows the case of two-codecs down and a dual-codec CNR. In this case, both codecs
on the motherboard are disabled (while both on CNR are active) by R
A
being 10 k and R
B
being
1 k.

Table of Contents

Other manuals for Intel Pentium 4

Related product manuals