EasyManua.ls Logo

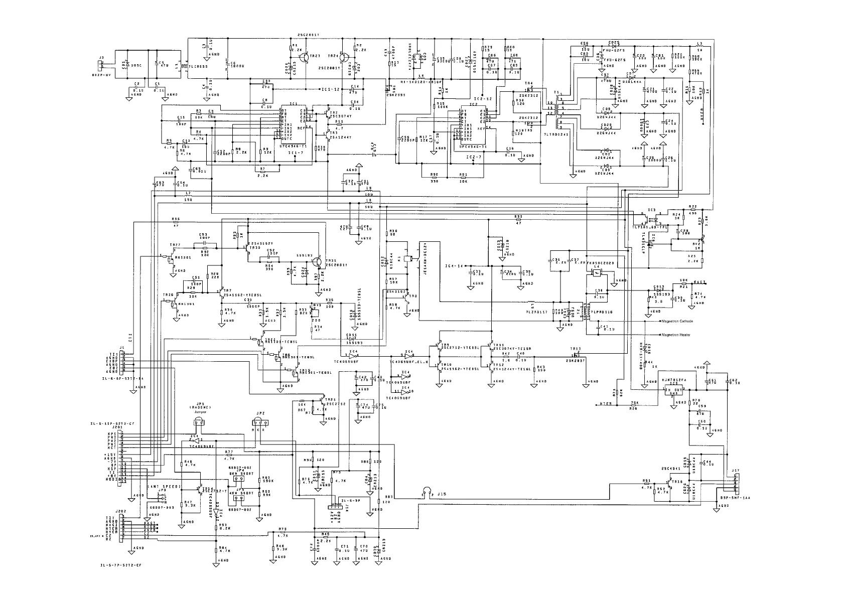
JRC JMA-5104 - Fig. 110 CIRCUIT DRAWING of MODULATOR UNIT

JRC JMA-5104
242 pages
To Next Page IconTo Next Page
To Next Page IconTo Next Page
To Previous Page IconTo Previous Page
To Previous Page IconTo Previous Page
Loading...
[Fig. 110 CIRCUIT DRAWING OF MODULATOR UNIT CME-322]

Table of Contents

Related product manuals