EasyManua.ls Logo

JRC JMA-5104 - Page 237

JRC JMA-5104
242 pages
Print Icon
To Next Page IconTo Next Page
To Next Page IconTo Next Page
To Previous Page IconTo Previous Page
To Previous Page IconTo Previous Page
Loading...
C2
+8V
CD34
HTER
IC1-12
+5V
J15
R60
1K
R13
CD1
CD2
CRZ15
CD3
1SS193
TR1
2SC2983
C8
0.1U
CD4
CRZ15
TR2
2SC2983
C10
L1
125U
TR3
6.8
R14
C14 C16
R19
2.2
R54
U1DL44A
CD15
C30
100U
C35
1000U
C27
0.1U
C32
100U
C31
U1DL44A
CD13
U1DL44A
CD14
C17
R3
R4
R5
R6
IC1
TR4
2SC3074Y
TR5
2SA1244Y
4.7
R11
R53
IC2
CD9
U1GWJ44
2SA1244
TR6
R21
TR8
2SK2508
R20
CD10
U1GWJ44
2SA1244
TR7
R22
2SK2508
TR9
2SC2881Y
TR13
R55
CRZ13
CD31
21
R56
R57
1
2
R58
2
1
2SC2881Y
TR14
3
1
2
R59
2
1
R61
R62
2
1
CRZ15
CD32
21
R63
2
1
2SC2881Y
TR15
3
1
2
10K
R64
2
1
R65
2
1
C58
10
R66
16DL2CZ47A
CD33
2
1
3
R67
1
2
R68
2
1
TR16
13
2
TR17
2
31
TR18
2
31
J11
2
1
J12
C56
C7C6
C15
C5C48
C9
C13
C11
C57
C59
C60
IL-S-2P-S2T2-EF
J16
R15
0.1U
C18
C19
10K
R8
R52
CD11
CD6
SI-3052VIC4
C49
C64
U1DL44A
CD16
NJM7812FAIC5
C36
CD12
220
R75
1K
R77
1K
R76
470U
C28
0.1U
C33
0.1U
C34C29
R74
R71
RV1
R23
R24
R10
R73
R2
IC2-12
R69
R70
TB1
TBS1
J1004
HVER
1SS193
CD5
R72
R18
R17
220U
C63
R1
R12
+12V
+5V
+15V
-15V
1.5K
R78
1000U
C12
B02P-NV
J1001
R9
1000P
C22
J1002
350209-1
J1003
350209-1
T1
T1-4
T1-3
T1-2
T1-9
T1-10
T1-11
C1 C3 C4
FL1
02CZ36-TE85L
CD7
02CZ36-TE85L
CD8
R16
0.1U
TLG124A
21
AGND
B2P-VH
2
1
4.7K
AGND AGND
RM4AM
21
21
13
3
1
2
21
3
1
2
1800U
2
1
2SK2995
3
2
1
0.1U 0.1U
4.7K
12
0.1U
21
21
0.1U
2.2K
2.2K
4.7K
100K
+IN1
+IN2
C1
C2
CT
E1
E2
OUTC
RT
UPC494G-T1
DT
-IN2
-IN1
FB
REF
14
3
2
15
4
6
13
10
9
5
11
8
16
1
3
2
1
3
2
1
100K
+IN1
+IN2
C1
C2
CT
E1
E2
OUTC
RT
UPC494G-T1
DT
-IN2
-IN1
FB
REF
14
3
2
15
4
6
13
10
9
5
11
8
16
1
21
3
2
1
100
13
2
4.7K
21
3
2
1
100
13
2
3
1
2
2.2K
10K
4.7K
4.7K 33K
4.7K
4.7K
2.2K
1K
1800U
2
1
470
470
2SK2995
2SK2995
2SJ464
350428-1
B3P-VH
3
2
1
AGND
47U
47U
0.1U
47U
470U
0.1U
0.1U
0.1U
0.01U
0.1U
0.1U
0.01U
1
2
1.8
47U
1K
5DL2C48A
2
1
3
10FL2C48A
3
2
1
OUT
GND
IN
3
1
2
0.1U
0.1U
AGND
12
IN OUT
GND
2
31
0.1U
AGND
5DL2C48A
2
1
3
AGND
AGND
150U
3.3K
5.6K
2K
1
3
2
1K
1K
470
470
1.8
4.7K
4.7K
FFC-3AMEP1
3
2
1
DIC-252
B9P-SHF-1AA
9
8
7
6
5
4
3
2
1
AGND
13
4.7K
10K
820
2.2K
2.2K
AGND AGND
AGND
2
1
AGND
AGND
330
2
1
2
1
H-7LTRD0244
9
2
3
4
7
8
6
16
15
14
13
12
11
10
0.1U 0.1U 0.1U
AGND
H-7LCRD0057
4
3
2
1
2121
27K
HSP
C2
E
L
C
H
MPS
MS1
MS2
MCT
(ANT SPEED)
M-
IC1-7
(To 2/2)
1A
2A
IC2-7
MBK
C2
C2G
HTER
HVER
1A
2A
1A
2A
M+
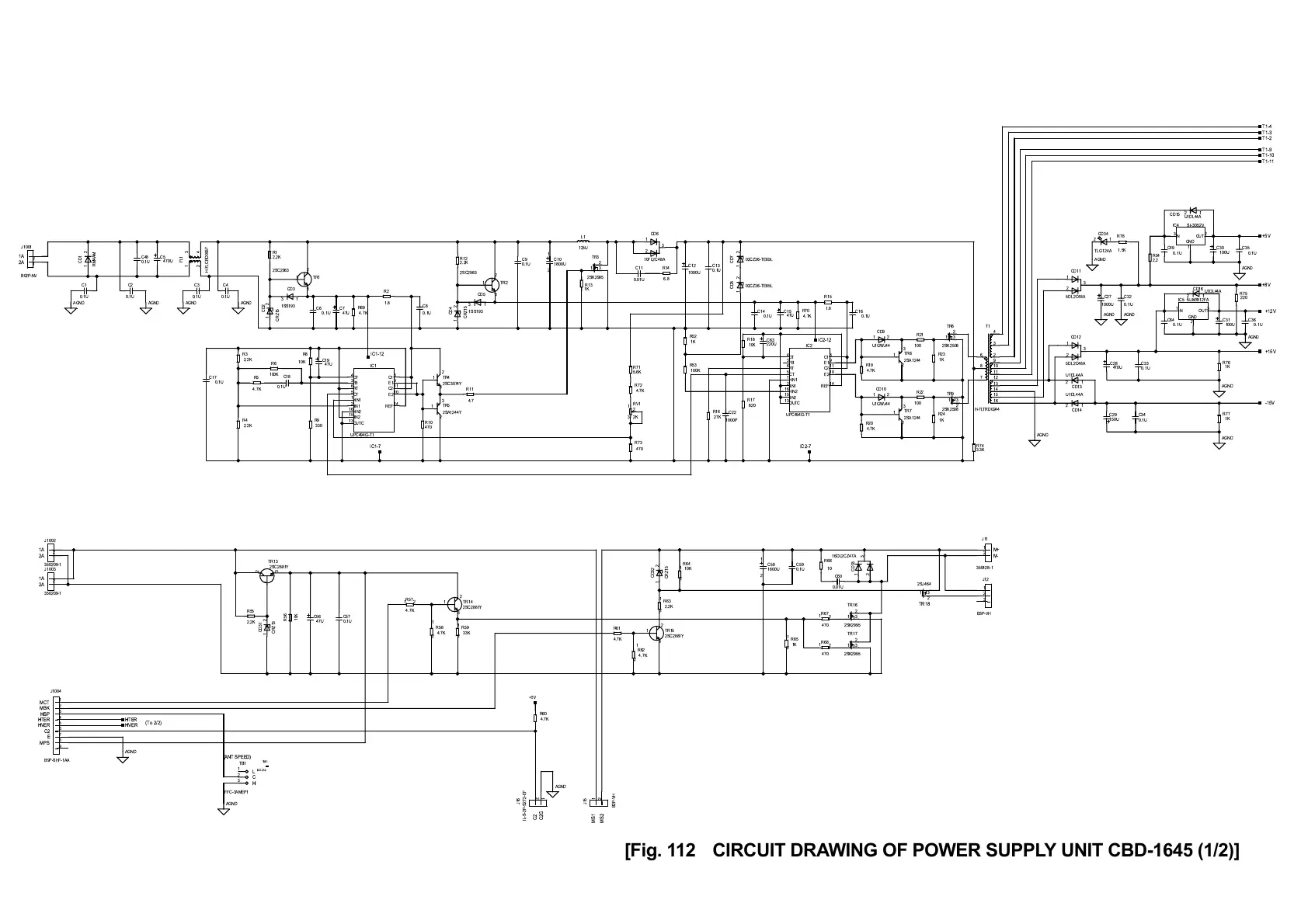
[Fig. 112 CIRCUIT DRAWING OF POWER SUPPLY UNIT CBD-1645 (1/2)]

Table of Contents

Related product manuals