EasyManua.ls Logo

Koden MDP-621 - Page 50

Koden MDP-621
244 pages
Print Icon
To Next Page IconTo Next Page
To Next Page IconTo Next Page
To Previous Page IconTo Previous Page
To Previous Page IconTo Previous Page
Loading...
Chapter 4 MDP-621/641/640
Installation Operation manual 
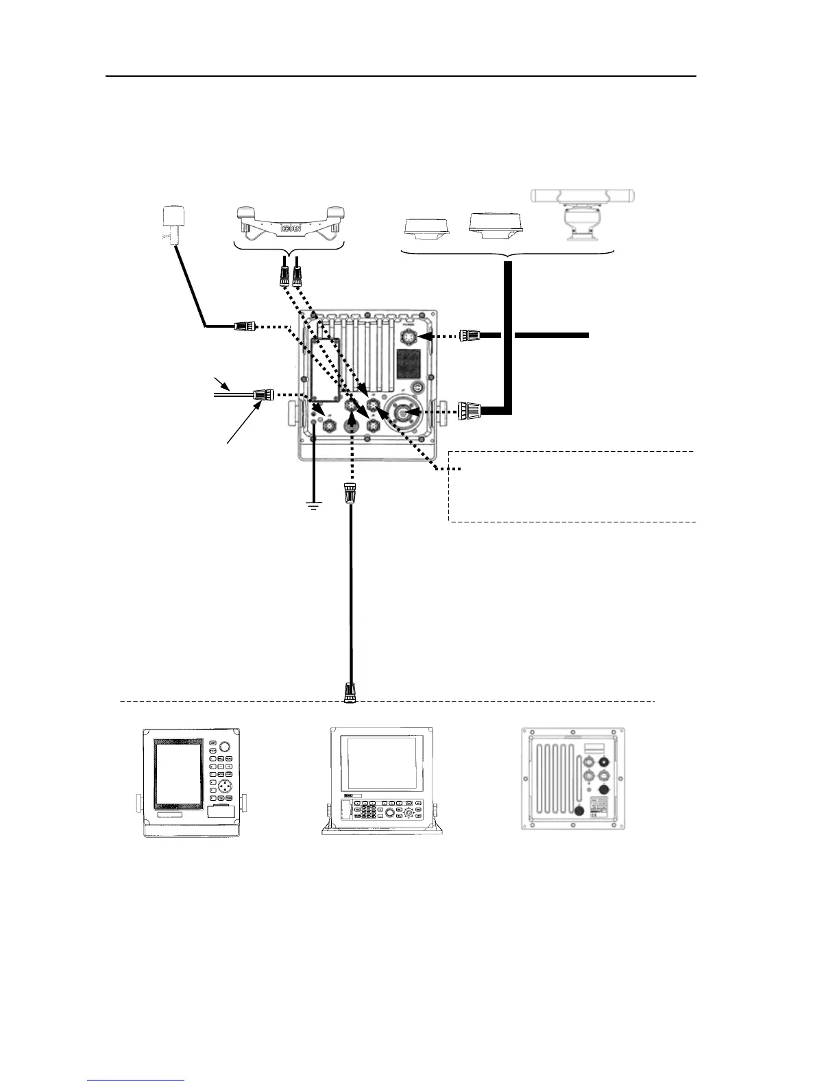
4.5.2.2 Connection of two devices system
To
Ship’s supply
10.8 - 31.2 VDC
(10m cable
with connector
is supplied)
GPS sensor or GPS Compass (Option)
GPS-20A(B-Type) KGC-1
To
external buzzer
Connecting cable
(customer supply)
Connector type
LTWBD-08BFFA-L180 (option)
Earthing lead
See para 4.5.2.1
A
ntenna cable
10m cable with connector (standard)
MNEA 0183 input
RB714A RB715A
CW-249
CW-380-5M
(5m cable with
connector)
(NMEA 0183 input
See para 4.5.2.1)
RB716A
oror
Sounder unit
CVB-20
7 inch Display
RGD-600
10.4 inch Display
RGD-120
Figure 4. 17 Two device system Connections
4-16 0093161022-06

Table of Contents

Related product manuals