EasyManua.ls Logo

Krone Big Pack 890 - Diagram Hydraulic Block; Emergency Manual Activation

Krone Big Pack 890
352 pages
Print Icon
To Next Page IconTo Next Page
To Next Page IconTo Next Page
To Previous Page IconTo Previous Page
To Previous Page IconTo Previous Page
Loading...
Maintenance
278
Pos: 42.37.10 /BA/W artung/Load-Sensing/ Großpackenpresse/ Schaubild Hydrauli kblock @ 24\mod_12415151103 05_78.doc @ 245637
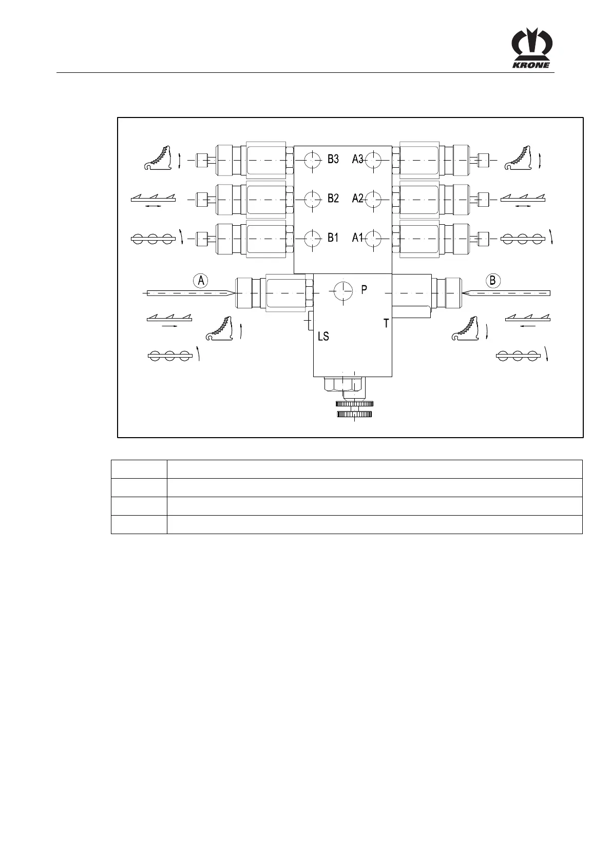
13.12 Diagram hydraulic block
Fig. 210
A /B
A1 / B1 Roller chute
A2 / B2 Ejector
A3 /B3 Blades
Pos: 42.37.11 /BA/W artung/Load-Sensing/ Großpackenpresse/ Not-Handbetätigung @ 24\ mod_1241516074133_78. doc @ 245688
13.13 Emergency manual activation
The electromagnetic valve block is located at the front left under the side hood next to the
electronics box.
In the event the electrical system should fail completely, the valves are equipped with an
<<emergency manual activation>>.
Comfort version:
The valves (A1, A2, A3, B1, B2 and B3) are activated by turning the knurled head screw
Valves A and B can be activated with a pointed object by turning the valve in
Pos: 42.37.12 /BA/- ----Seitenumbruch------ @ 0\mod_1196175311226_0.doc @ 4165

Table of Contents